skube mi auto 2.4 JTD
Re: skube mi auto 2.4 JTD
Tak dnes som prestriekal/vycistil kontakty v svorkovnici pre snimac polohy plyn. pedalu, no ale ziadna zmena, cuka to dalej. Takze zhanam kable pre diagnostiku a musim si zistit sam, co to vlastne robi. :-)
edit:
Len tak pre zaujimavost som urobil dnes prepadovy test vstrekovacov. Urobil som video, ale nie je na nom najlepsie vidiet rozdiely. Ale co som sledoval, tak realne vyzera, ze druhy vstrekovac je na tom najlepsie. Rozdiel najhorsieho oproti najlepsiemu bol cca 3 ml (3 ciarky na striekacke). Takze velmi neverim tomu, ze by to skubanie u mna sposobovali vstrekovace. Bude to naozaj ten potenciometer.
[video]http://www.youtube.com/watch?v=kbWkmoKX ... e=youtu.be[/video]
edit:
Len tak pre zaujimavost som urobil dnes prepadovy test vstrekovacov. Urobil som video, ale nie je na nom najlepsie vidiet rozdiely. Ale co som sledoval, tak realne vyzera, ze druhy vstrekovac je na tom najlepsie. Rozdiel najhorsieho oproti najlepsiemu bol cca 3 ml (3 ciarky na striekacke). Takze velmi neverim tomu, ze by to skubanie u mna sposobovali vstrekovace. Bude to naozaj ten potenciometer.
[video]http://www.youtube.com/watch?v=kbWkmoKX ... e=youtu.be[/video]
Alfa Romeo 146 - 1,9 JTD - 2000 - 77kw+
ex Ford Escort - 1.8 16v - 1998 - 85kw
ex Lancia Delta II - 1.9 Td - 1997 - 66kw
ex Ford Escort - 1.8 16v - 1998 - 85kw
ex Lancia Delta II - 1.9 Td - 1997 - 66kw
Re: skube mi auto 2.4 JTD
Takze po dnesku sa pridavam medzi tych ktorym za studena kolise volnobeh a trha z autom aj ja
Vsimol som si to vcera vecer ked som nastartoval auto a stal vonku. z vyfuku bolo pocut ako motor divno odpaluje,vobec to nemalo klasicky 5valcovy hlas
Pocas jazdy ked bol motor este studeny som si vsimol ze pri jemne stlacenom plyne auto zo sebou cuka ako keby dochadza nafta
tiez je to vyrazne citit ked idem dole kopcom a mam zaradenu napriklad 3. a jemno idem pridat, tak to trha silnejsie.
Po nastartovani studeneho motora je vidiet ako jemno kolisu otacky a motor divno bezi a vybruje to z autom.ked sa trosku zohreje nerobi to a bezi tak ako ma.
Diagnostika mi vyhodila toto:
P0215 - ovladani elektroventilu zastaveni motoru
P0101 - meric prutoku vzduchu
Co dalej ????

Vsimol som si to vcera vecer ked som nastartoval auto a stal vonku. z vyfuku bolo pocut ako motor divno odpaluje,vobec to nemalo klasicky 5valcovy hlas

Pocas jazdy ked bol motor este studeny som si vsimol ze pri jemne stlacenom plyne auto zo sebou cuka ako keby dochadza nafta

Po nastartovani studeneho motora je vidiet ako jemno kolisu otacky a motor divno bezi a vybruje to z autom.ked sa trosku zohreje nerobi to a bezi tak ako ma.
Diagnostika mi vyhodila toto:
P0215 - ovladani elektroventilu zastaveni motoru
P0101 - meric prutoku vzduchu
Co dalej ????
Alfa Romeo 156 GTA momentálne v kompletnej rekonštrukcii
ex.Alfa Romeo 156sw 3.0V6 24v
ex.Alfa Romeo 156fl 2.4jtdm20V
ex.Lancia Thesis 3.0v6 24v
ex.Alfa Romeo 156sw 1.9jtd 85kw
ex.Alfa Romeo 147 1.9jtd 85kw
ex.Lancia Thesis Emblema 2.4jtd 20v
ex.Alfa Romeo 156sw 3.0V6 24v
ex.Alfa Romeo 156fl 2.4jtdm20V
ex.Lancia Thesis 3.0v6 24v
ex.Alfa Romeo 156sw 1.9jtd 85kw
ex.Alfa Romeo 147 1.9jtd 85kw
ex.Lancia Thesis Emblema 2.4jtd 20v
Re: skube mi auto 2.4 JTD
P101- je váha vzduchu, nejspíš "vadná" pokud tohle píše, zkusit vyčistit nějakým kontaktolem,pokud to nepomůže..tak dát novou,pokud auto hůř "tahá".
Ten druhý problém možná to chcípání...
Ten druhý problém možná to chcípání...
Re: skube mi auto 2.4 JTD
UP: chyby sa po napichnuti na FES ukazuju rovnake ale to skubanie zmyzlo. moj odhad je ze si cerpadlo nasalo nejaky sajrajt z nadrze.
Alfa Romeo 156 GTA momentálne v kompletnej rekonštrukcii
ex.Alfa Romeo 156sw 3.0V6 24v
ex.Alfa Romeo 156fl 2.4jtdm20V
ex.Lancia Thesis 3.0v6 24v
ex.Alfa Romeo 156sw 1.9jtd 85kw
ex.Alfa Romeo 147 1.9jtd 85kw
ex.Lancia Thesis Emblema 2.4jtd 20v
ex.Alfa Romeo 156sw 3.0V6 24v
ex.Alfa Romeo 156fl 2.4jtdm20V
ex.Lancia Thesis 3.0v6 24v
ex.Alfa Romeo 156sw 1.9jtd 85kw
ex.Alfa Romeo 147 1.9jtd 85kw
ex.Lancia Thesis Emblema 2.4jtd 20v
Re: skube mi auto 2.4 JTD
zdravim mam dotaz mam alfu romeo 156 2.4 jtd 100kw najeto asi tak 5XX XXX
zacalo my to škubat tak jsem to napichnul ...vyskocila my tam chyba p1320 koherence signalu faze a otacek tak jsem koupil cidlo to podni a vymnenil ale chyba furt zustala tak jsem kouknul na kabel co vede kni a mel jsem vytrhli kabely nevim jak se to povedlo
tak jsem je spajel ale chyba je tam furt a dokonce my sviti vstřiky predtim kdyz jsem zahejbal stim kabelem tak to prestalo svitit nevite co stím kabele je nakej od izolovany muze to byt tim ze jak sem to pajel tak jsem jenom zabalil do izolacky dekuji
zacalo my to škubat tak jsem to napichnul ...vyskocila my tam chyba p1320 koherence signalu faze a otacek tak jsem koupil cidlo to podni a vymnenil ale chyba furt zustala tak jsem kouknul na kabel co vede kni a mel jsem vytrhli kabely nevim jak se to povedlo

Re: skube mi auto 2.4 JTD
RPM / TDC a polohy vačkového hřídele signály nejsou synchronizovány. To může být způsobeno:
1) nesprávné Kliková hřídel / vačkového hřídele mechanickou načasování, nesprávně instalované TDC nebo vačkového hřídele snímače, nebo nesprávně distributor (pokud je použit).
podle me by to nejelo
2) chybí nebo je poškozen signál z vačkového hřídele Pos. nebo RPM / TDC senzor. Zkontrolujte korektní signál z obou čidel.
nevim jak bych to mel zmerit
) Pokud některý ze signálů je špatné zjistit senzor a obvod signálu na ECU
B) Pokud jsou oba signály se objeví normální, se vztahují na specifickou stránku nápovědy.
Chyba JE přerušovaná.
to me hlasi ze je prerusovana a kdyz ji zmazu tak nabehne hned zpatky
poradi my nekdo dekuji
1) nesprávné Kliková hřídel / vačkového hřídele mechanickou načasování, nesprávně instalované TDC nebo vačkového hřídele snímače, nebo nesprávně distributor (pokud je použit).
podle me by to nejelo
2) chybí nebo je poškozen signál z vačkového hřídele Pos. nebo RPM / TDC senzor. Zkontrolujte korektní signál z obou čidel.
nevim jak bych to mel zmerit
) Pokud některý ze signálů je špatné zjistit senzor a obvod signálu na ECU
B) Pokud jsou oba signály se objeví normální, se vztahují na specifickou stránku nápovědy.
Chyba JE přerušovaná.
to me hlasi ze je prerusovana a kdyz ji zmazu tak nabehne hned zpatky
poradi my nekdo dekuji
- Franik
- SemTuFurt
- Příspěvky: 3831
- Registrován: 7.1.2007, ned 14:50
- Bydliště: Rychnov nad Kněžnou
- Kontaktovat uživatele:
Re: skube mi auto 2.4 JTD
no že by byly skočený rozvody? Je to jen doměnka. 

Giulietta QV 10/2010 ex.
156 SW 2,4 129kW ex
156 2,5V6 ex
https://www.facebook.com/AutoklempirRovnaniMetodouPdr?fref=ts
156 SW 2,4 129kW ex
156 2,5V6 ex
https://www.facebook.com/AutoklempirRovnaniMetodouPdr?fref=ts
Re: skube mi auto 2.4 JTD
hmm ale ze to jede normalne mozna ze to oneco vic mlati jak to zjistim jsou na rozvodech nake body
Re: skube mi auto 2.4 JTD
nema nekdo schema toho zapojeni toho cidla urvali se kabely co vedou kte propojce ale bohuze nevim jak to ma bejt
Re: skube mi auto 2.4 JTD
pockaj mrknem do schem. mas na mysli cidlo vzadu na kluke?
Alfa Romeo 156 GTA momentálne v kompletnej rekonštrukcii
ex.Alfa Romeo 156sw 3.0V6 24v
ex.Alfa Romeo 156fl 2.4jtdm20V
ex.Lancia Thesis 3.0v6 24v
ex.Alfa Romeo 156sw 1.9jtd 85kw
ex.Alfa Romeo 147 1.9jtd 85kw
ex.Lancia Thesis Emblema 2.4jtd 20v
ex.Alfa Romeo 156sw 3.0V6 24v
ex.Alfa Romeo 156fl 2.4jtdm20V
ex.Lancia Thesis 3.0v6 24v
ex.Alfa Romeo 156sw 1.9jtd 85kw
ex.Alfa Romeo 147 1.9jtd 85kw
ex.Lancia Thesis Emblema 2.4jtd 20v
Re: skube mi auto 2.4 JTD
ano jsou tma 3draty dva jsou omotany nakim izolantem asi alobalem a jeden je bez buzurky
Re: skube mi auto 2.4 JTD
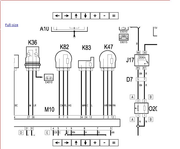
RN - red black , HN- grey black , VN- green black
Alfa Romeo 156 GTA momentálne v kompletnej rekonštrukcii
ex.Alfa Romeo 156sw 3.0V6 24v
ex.Alfa Romeo 156fl 2.4jtdm20V
ex.Lancia Thesis 3.0v6 24v
ex.Alfa Romeo 156sw 1.9jtd 85kw
ex.Alfa Romeo 147 1.9jtd 85kw
ex.Lancia Thesis Emblema 2.4jtd 20v
ex.Alfa Romeo 156sw 3.0V6 24v
ex.Alfa Romeo 156fl 2.4jtdm20V
ex.Lancia Thesis 3.0v6 24v
ex.Alfa Romeo 156sw 1.9jtd 85kw
ex.Alfa Romeo 147 1.9jtd 85kw
ex.Lancia Thesis Emblema 2.4jtd 20v
Re: skube mi auto 2.4 JTD
alebo pokial je tam tento steker :
R- red , A- light blue , AN- light blue black ,
R- red , A- light blue , AN- light blue black ,
Alfa Romeo 156 GTA momentálne v kompletnej rekonštrukcii
ex.Alfa Romeo 156sw 3.0V6 24v
ex.Alfa Romeo 156fl 2.4jtdm20V
ex.Lancia Thesis 3.0v6 24v
ex.Alfa Romeo 156sw 1.9jtd 85kw
ex.Alfa Romeo 147 1.9jtd 85kw
ex.Lancia Thesis Emblema 2.4jtd 20v
ex.Alfa Romeo 156sw 3.0V6 24v
ex.Alfa Romeo 156fl 2.4jtdm20V
ex.Lancia Thesis 3.0v6 24v
ex.Alfa Romeo 156sw 1.9jtd 85kw
ex.Alfa Romeo 147 1.9jtd 85kw
ex.Lancia Thesis Emblema 2.4jtd 20v
Re: skube mi auto 2.4 JTD
by me zajimalo jakto ze je ten jeden bez bozurky zeje holy
zitra kouknu a dam vedet jestly to mam dobre

Re: skube mi auto 2.4 JTD
tak jsem dnes koukal to co jsi mi poslal tak sedi na to horni čidlo co vede k vačce ale ja bych potřeboval na to spodní jak je pod starterem je tam červeny žluty a bez bužirky
Re: skube mi auto 2.4 JTD
B - white , R- red , HN- grey black tie farby mozno sedet nebudu, je tam viac druhov konektorov ale zlty kabel neni ani na jednom.
kable B, R su tie chranene
HN je ten nechraneny a usti na kostru ktora je na nosniku vedla ABS-ka
kable B, R su tie chranene
HN je ten nechraneny a usti na kostru ktora je na nosniku vedla ABS-ka
Alfa Romeo 156 GTA momentálne v kompletnej rekonštrukcii
ex.Alfa Romeo 156sw 3.0V6 24v
ex.Alfa Romeo 156fl 2.4jtdm20V
ex.Lancia Thesis 3.0v6 24v
ex.Alfa Romeo 156sw 1.9jtd 85kw
ex.Alfa Romeo 147 1.9jtd 85kw
ex.Lancia Thesis Emblema 2.4jtd 20v
ex.Alfa Romeo 156sw 3.0V6 24v
ex.Alfa Romeo 156fl 2.4jtdm20V
ex.Lancia Thesis 3.0v6 24v
ex.Alfa Romeo 156sw 1.9jtd 85kw
ex.Alfa Romeo 147 1.9jtd 85kw
ex.Lancia Thesis Emblema 2.4jtd 20v
Re: skube mi auto 2.4 JTD
hm neslo by to nak zmeřit nake hodnoty by tam mely bejt kdyz jsem koukal v autokelly tak je tam schema te koncovky je tam L1 L2 a 900omu
- Přílohy
-
- lock.png (81 bajtů) Zobrazeno 2478 x
Re: skube mi auto 2.4 JTD
a jak je mozne ze my to jede ze na diagnostice my to ukazuje ze je chyba prerusovana nemuze bejt to cidlo špatny prece kdyby rozvody byly hozeny treba o zub tak bych to nak poznal treba v rychlosti nebo v tahu ale jeto furt stejny
kdyby se nekdo mohl kouknout ja to ma zapojeny byl bych rad dekuji
kdyby se nekdo mohl kouknout ja to ma zapojeny byl bych rad dekuji
Re: skube mi auto 2.4 JTD
strach. pokial nepomoze to zapojenie ktore som ti pisal do chatu tak uz jedine druhy kabel.
Alfa Romeo 156 GTA momentálne v kompletnej rekonštrukcii
ex.Alfa Romeo 156sw 3.0V6 24v
ex.Alfa Romeo 156fl 2.4jtdm20V
ex.Lancia Thesis 3.0v6 24v
ex.Alfa Romeo 156sw 1.9jtd 85kw
ex.Alfa Romeo 147 1.9jtd 85kw
ex.Lancia Thesis Emblema 2.4jtd 20v
ex.Alfa Romeo 156sw 3.0V6 24v
ex.Alfa Romeo 156fl 2.4jtdm20V
ex.Lancia Thesis 3.0v6 24v
ex.Alfa Romeo 156sw 1.9jtd 85kw
ex.Alfa Romeo 147 1.9jtd 85kw
ex.Lancia Thesis Emblema 2.4jtd 20v
Re: skube mi auto 2.4 JTD
jakej druhej kabel? ale takhle to mam zapojeny ne
Re: skube mi auto 2.4 JTD
no ze pokial to mas zapojene tak jak som ti napisal, podla foto je to tusim spravne a hazde ti to furt chybu, tak bud kup nove cidlo, alebo treba dat doporiadku ten kabel,lebo ta koncovka je strasna. 

Alfa Romeo 156 GTA momentálne v kompletnej rekonštrukcii
ex.Alfa Romeo 156sw 3.0V6 24v
ex.Alfa Romeo 156fl 2.4jtdm20V
ex.Lancia Thesis 3.0v6 24v
ex.Alfa Romeo 156sw 1.9jtd 85kw
ex.Alfa Romeo 147 1.9jtd 85kw
ex.Lancia Thesis Emblema 2.4jtd 20v
ex.Alfa Romeo 156sw 3.0V6 24v
ex.Alfa Romeo 156fl 2.4jtdm20V
ex.Lancia Thesis 3.0v6 24v
ex.Alfa Romeo 156sw 1.9jtd 85kw
ex.Alfa Romeo 147 1.9jtd 85kw
ex.Lancia Thesis Emblema 2.4jtd 20v
Re: skube mi auto 2.4 JTD
ok tak dik
tu koncovku jrsem mel lip zaizolovaou

Re: skube mi auto 2.4 JTD
zdravim tak čidlo jsem dal novy a je to furt stejny furt mi to hlasi chybu a rozvody mam v poho porad te mi nekdo
Re: skube mi auto 2.4 JTD
a kabel?
Alfa Romeo 156 GTA momentálne v kompletnej rekonštrukcii
ex.Alfa Romeo 156sw 3.0V6 24v
ex.Alfa Romeo 156fl 2.4jtdm20V
ex.Lancia Thesis 3.0v6 24v
ex.Alfa Romeo 156sw 1.9jtd 85kw
ex.Alfa Romeo 147 1.9jtd 85kw
ex.Lancia Thesis Emblema 2.4jtd 20v
ex.Alfa Romeo 156sw 3.0V6 24v
ex.Alfa Romeo 156fl 2.4jtdm20V
ex.Lancia Thesis 3.0v6 24v
ex.Alfa Romeo 156sw 1.9jtd 85kw
ex.Alfa Romeo 147 1.9jtd 85kw
ex.Lancia Thesis Emblema 2.4jtd 20v
Kdo je online
Uživatelé prohlížející si toto fórum: Google [Bot] a 1 host