Pokec o Alfě 166 (krátké dotazy, dojmy apod.)
Re: Pokec o Alfě 166 (krátké dotazy, dojmy apod.)
Ahojte. Nemate niekto predat motorceky na svetla 4kablove? Surne to potrebujem;) dakujem
Re: Pokec o Alfě 166 (krátké dotazy, dojmy apod.)
K tomu startovaniu. Moj nazor je ten ze to robi starter. Presne toto iste mi robil starter na byvalom punte. Za studena no problem ale ked sa to zohrialo tak ani bohovi.Cvakal naprazdno. Nechal som to vychladnut a potom to vzdy zazrakom islo. Vymenil som starter a svaty pokoj. cca za pol roka mi posla aj baterka, nabil som ju full, nastartoval som presiel 20km vypol motor a viac uz nenastartovaloMarekPD píše:Ja mam na vypušťacom šrobe navarenu ak si dobre pamatam 17 matku a mam pokoj![]()
Opať mam prosbu o pomoc...dneska prebehla čistiaca kura v podobe asi 10-15l nafty + cela 200ml flaštička čistiaceho STP a jazda nejakych 20km do kopca z kopca pod plnym plynom a v otačkach....nasledne som nechal nejake 3 minutky motor vydychnuť na pumpe a dotankoval a keď som chcel odisť som už nenaštartovaltakmer vobec som nepočul že by točilo motorom, resp. točilo velmi ťažko malo a pomaly, sťahovalo aj osvetlenie ics, nakoniec ma nudzovo roztlačili a došiel som do garaže auto krasne išlo žiadne cukanie nič. Pri garaži som nechal bežať chvilu na N, potom vypol a nechal asi 10 minut stať s otvorenou kapotou. Auto ako tak potom naštartovalo, pričom pokles napatia na baterke bol na 11V čo je myslim ok. Už som z toho na nervy lebo raz sa to tvari jak baterka raz jak zly štarter,raz neviem čo
![]()
Ale vzhladom na extremne teplo ktore sa pod kapotou pri tej nakladačke vytvorilo by som to tipol na štarter že ak je nejaky vadny sa dačo od toho teplo "zvačšilo" a baterka nedokazala ten odpor pretlačiť....STRETOL SA NIEKDO S NIEČIM PODOBNYM? VIE MI PORADIŤ? ak ano bol by som velmi vďačny
Alfa Romeo 156 GTA momentálne v kompletnej rekonštrukcii
ex.Alfa Romeo 156sw 3.0V6 24v
ex.Alfa Romeo 156fl 2.4jtdm20V
ex.Lancia Thesis 3.0v6 24v
ex.Alfa Romeo 156sw 1.9jtd 85kw
ex.Alfa Romeo 147 1.9jtd 85kw
ex.Lancia Thesis Emblema 2.4jtd 20v
ex.Alfa Romeo 156sw 3.0V6 24v
ex.Alfa Romeo 156fl 2.4jtdm20V
ex.Lancia Thesis 3.0v6 24v
ex.Alfa Romeo 156sw 1.9jtd 85kw
ex.Alfa Romeo 147 1.9jtd 85kw
ex.Lancia Thesis Emblema 2.4jtd 20v
Re: Pokec o Alfě 166 (krátké dotazy, dojmy apod.)
Achojte.;) Daju sa dat dole predne svetla ked je naraznik na aute? Dakujem
Re: Pokec o Alfě 166 (krátké dotazy, dojmy apod.)
Erik: vdaka za odpoved asi teda kupim druhy starter, jeden je akurat za 60€ z PD na bazosi
nevies co bolo zle na tom tvojom starteri?
inak som precistil kontaky a sa to zlepsilo mam pocit ale stale to nieje ono
ferdo: naraznik musi dole lebo pod svetlom je skrutka
inak som precistil kontaky a sa to zlepsilo mam pocit ale stale to nieje ono
ferdo: naraznik musi dole lebo pod svetlom je skrutka
Naposledy upravil(a) MarekPD dne 24.4.2013, stř 20:48, celkem upraveno 1 x.
Alfička 159 2,4JTDm
Re: Pokec o Alfě 166 (krátké dotazy, dojmy apod.)
Nie treba dať dole aj nárazník, lebo svetlo má jeden šrob dole ako je roh nárazníka a inak ako zhodením nárazníku ho nepovolíš, prípadne ak chceš len jedno svetlo zhodiť, tak povoliť len tú stranu nárazníku a ten kúsok sa už ohne.
Train horn in car ? why not !
Alfa 166 2,4JTD ´99 ...EGR off, KAT off ...zachovalá dáma a pomaly 400t km na krku
ex : Fiat Punto 1,7TD ELX
Fiat Punto Sporting 1,3 JTD
Alfa Romeo 156 2,4 JTD
Fiat Punto 1,7TD SX
Alfa 166 2,4JTD ´99 ...EGR off, KAT off ...zachovalá dáma a pomaly 400t km na krku
ex : Fiat Punto 1,7TD ELX
Fiat Punto Sporting 1,3 JTD
Alfa Romeo 156 2,4 JTD
Fiat Punto 1,7TD SX
Re: Pokec o Alfě 166 (krátké dotazy, dojmy apod.)
No super zase to davat dole. Sobotu som to skladal lebo je celo lak. Jedno cocka slabo svieti tak kalno. No dam naspet nove depo svetla;) dakovala za info
Naposledy upravil(a) ferdopd dne 24.4.2013, stř 22:21, celkem upraveno 1 x.
Re: Pokec o Alfě 166 (krátké dotazy, dojmy apod.)
Ozaj ohladom startra. Vcera som menil uhliky do znicoho nic ani necekol a tera idem motor vytrhnut;). Normalne som ho rozobral a cudujem sa ako pred tim mohol ist ked tam nebol ani jeden uhlik. Hmm uz je to pohode.
Re: Pokec o Alfě 166 (krátké dotazy, dojmy apod.)
Niekoho alfičke sa žije keď dostala celolak 
konečne niekdo kdo tona 166 menil
ake uhliky si tam daval a kde si ich kupil prosim ťa?chcel by som to už cez vikend poriešiť tak nech stihnem nakupiť ich maš niekde z PD 
konečne niekdo kdo tona 166 menil
Alfička 159 2,4JTDm
Re: Pokec o Alfě 166 (krátké dotazy, dojmy apod.)
Pd oproti kanflandu u gazura. Ukazal som mu cely ten domec na uhliky a podla toho nasiel. Neviem presne ale ze s dukata pasuju. Cena par eu pohode. ;)
Re: Pokec o Alfě 166 (krátké dotazy, dojmy apod.)
Ten starter bol zly na puzdrach.Za studena tam bola vola a no problem, ale ked sa to cele ohrialo tak puzdro pridieralo a nechcel sa roztocitMarekPD píše:Erik: vdaka za odpoved asi teda kupim druhy starter, jeden je akurat za 60€ z PD na bazosinevies co bolo zle na tom tvojom starteri?
tu baterku si skusal druhu? aspon na chvilu ci sa nieco zmeni .
Alfa Romeo 156 GTA momentálne v kompletnej rekonštrukcii
ex.Alfa Romeo 156sw 3.0V6 24v
ex.Alfa Romeo 156fl 2.4jtdm20V
ex.Lancia Thesis 3.0v6 24v
ex.Alfa Romeo 156sw 1.9jtd 85kw
ex.Alfa Romeo 147 1.9jtd 85kw
ex.Lancia Thesis Emblema 2.4jtd 20v
ex.Alfa Romeo 156sw 3.0V6 24v
ex.Alfa Romeo 156fl 2.4jtdm20V
ex.Lancia Thesis 3.0v6 24v
ex.Alfa Romeo 156sw 1.9jtd 85kw
ex.Alfa Romeo 147 1.9jtd 85kw
ex.Lancia Thesis Emblema 2.4jtd 20v
Re: Pokec o Alfě 166 (krátké dotazy, dojmy apod.)
Erik baterku som skušal jedine tu čo som už pisal varta 85 ah myslim že žiadny rozdiel...skusim tie uhliky,vyčistim a premažem štarter a uvidim, lebo som očistil kontakty a prišlo mi to lepšie len to neni ešte ono. Puzdra by sa mali dať tiež vymeniť nie? 
Alfička 159 2,4JTDm
Re: Pokec o Alfě 166 (krátké dotazy, dojmy apod.)
Problem so štartovanim vyriešeny
bol to zly štarter, kupil som ten čo som spominal z PD za 60€ pretože moj mal totalne zošlahane lamely komutatora...Pri kupe som si samozrejme trval na demontaži veka aby som sa pozrel na "novy" a ten bol naozaj vyčisteni a vobec nevydrany jak moj, tak dufam že bude služiť aj za tepla aj za studena, lebo nenormalne rychlo teraz alfička naštartuje, konečne

Alfička 159 2,4JTDm
Re: Pokec o Alfě 166 (krátké dotazy, dojmy apod.)
Tak jsem si nechal v servise uvolnit ten dojebanej výpustnej šroub, páč jsem s ním sám nehnul. Při té příležitosti, když už se v tom vrtali, jsem si rovnou nechal vyměnit i ten olej a filtr, kterej jsem měl nachystanej. Na šroub navařili matku a pořádným klíčem to šlo povolit. No ale co si za to ty kujvy řekly: započatých 15 minut sváření 259,- plus výměna oleje 479,- 
Re: Pokec o Alfě 166 (krátké dotazy, dojmy apod.)
Chlapi, já se z toho auta už fakt poseru, vyměnil jsem obě přední spodní ramena a teď jako naschvál začala ,,trhat spojka´´ při rozjezdu to prostě cuká, stejně tak když podražuju a rychle pustim spojku, zatím naštěstí nekloužem, spíš se bojim, aby se nezkroutila a já nezůstal někde stát, jako se mi stalo ve feldě.
Čím to je? Nemusí se dělat dvouhmota nebo jo?
Díky
Čím to je? Nemusí se dělat dvouhmota nebo jo?
Díky
ND 166, 156, Kappa A DALŠÍ http://www.bazos.cz/hodnoceni.php?mail=1067&telefon=604637194&jmeno=Franti%C5%A1ek
Stratos.Point@email.cz
EX:
GTV 2.0TS
166 3.0i,99,166KW, busso, divoká vášeň
166 2.4 JTD,99,100KW
145 1.9TD,330.000km+,držák jako prase
Stratos.Point@email.cz
EX:
GTV 2.0TS
166 3.0i,99,166KW, busso, divoká vášeň
166 2.4 JTD,99,100KW
145 1.9TD,330.000km+,držák jako prase
Re: Pokec o Alfě 166 (krátké dotazy, dojmy apod.)
Dají se vyndat/vytáhnout záhlavníky u řidičova a spolujezdcova sedadla?
Většina aut má nějaký bazmek na zmáčknutí a uvolnění pojistky, ale tady jsem to nenašel...
Děkuji!
Většina aut má nějaký bazmek na zmáčknutí a uvolnění pojistky, ale tady jsem to nenašel...
Děkuji!
Když vidím Alfu, smekám svuj klobouk.
H. FORD
Tipo263 2.0 R4 83x90.5 L2H2 13´, Papamobil
Tipo936 3.0 V6 93×72.6 mm Super 99', Myš
Tipo834 3.0 V6 93×72.6 mm 93´, auto-mat
Ex: Tipo164 2.5 TD Super 98', Tipo834 2.0 VIS 93´, Tipo932 2.5 V6 SW fl 04'
H. FORD
Tipo263 2.0 R4 83x90.5 L2H2 13´, Papamobil
Tipo936 3.0 V6 93×72.6 mm Super 99', Myš
Tipo834 3.0 V6 93×72.6 mm 93´, auto-mat
Ex: Tipo164 2.5 TD Super 98', Tipo834 2.0 VIS 93´, Tipo932 2.5 V6 SW fl 04'
Re: Pokec o Alfě 166 (krátké dotazy, dojmy apod.)
co mi to jen pripominaIcarro píše:Chlapi, já se z toho auta už fakt poseru, vyměnil jsem obě přední spodní ramena a teď jako naschvál začala ,,trhat spojka´´ při rozjezdu to prostě cuká, stejně tak když podražuju a rychle pustim spojku, zatím naštěstí nekloužem, spíš se bojim, aby se nezkroutila a já nezůstal někde stát, jako se mi stalo ve feldě.
Zakladatel webu a fóra Alfisti.cz...
Re: Pokec o Alfě 166 (krátké dotazy, dojmy apod.)
keď ju vytiahneš uplne hore tak uvidiš take plastove kružky, ktore su tam len nacvaknute a pod nimi je zavlačkavonkreuz píše:Dají se vyndat/vytáhnout záhlavníky u řidičova a spolujezdcova sedadla?
Většina aut má nějaký bazmek na zmáčknutí a uvolnění pojistky, ale tady jsem to nenašel...
Děkuji!
Alfička 159 2,4JTDm
Re: Pokec o Alfě 166 (krátké dotazy, dojmy apod.)
Zdravíčko.. Obracím se sem s problémem jedné AR 166 ohledně osvětlení interiéru. Upřímně už nevím na co se podívat :-(
Co to dělá: Po otevření JAKÝCHKOLIV dveří se interiér nerožne.. Čas od času když je dobrá poloha měsíce a marsu
interiér rožne ale po zavření dveří svítí dokud ho časové relátko nevypne. Pak zase nesvítí.. V kufru osvětlení funguje.
Co sem prošel: Šedé relátko za ICS vyměněno i s paticí a kusy kablíků
Stropní světlo též vyměněno, kdyby to dělal přepínač v něm
postupně odpojeny všechny dveře jestli to nedělá zámek. Též nepomohlo ani při různých kombinacích
ŘJ světel vyměněna též nepomohlo
Pojistky i pojistkovka OK
Napadá někoho na co se ještě podívat?
Co to dělá: Po otevření JAKÝCHKOLIV dveří se interiér nerožne.. Čas od času když je dobrá poloha měsíce a marsu
Co sem prošel: Šedé relátko za ICS vyměněno i s paticí a kusy kablíků
Stropní světlo též vyměněno, kdyby to dělal přepínač v něm
postupně odpojeny všechny dveře jestli to nedělá zámek. Též nepomohlo ani při různých kombinacích
ŘJ světel vyměněna též nepomohlo
Pojistky i pojistkovka OK
Napadá někoho na co se ještě podívat?
www.Carsch-auto.cz
Jeep Commander 5,7 V8 Hemi
Lancia Phedra 2,2 JTD 94kW
Lancia Lybra SW 1,9 JTD
Alfa Romeo 164 2,0TS
Ex:
AR:146,156,166 / Lancia:Lybra, Kappa / Chrysler Grand Voyager 2,5CRD RG / Ssang Yong Rexton 2,7 XDi
Jeep Commander 5,7 V8 Hemi
Lancia Phedra 2,2 JTD 94kW
Lancia Lybra SW 1,9 JTD
Alfa Romeo 164 2,0TS
Ex:
AR:146,156,166 / Lancia:Lybra, Kappa / Chrysler Grand Voyager 2,5CRD RG / Ssang Yong Rexton 2,7 XDi
Re: Pokec o Alfě 166 (krátké dotazy, dojmy apod.)
carsch píše:Zdravíčko.. Obracím se sem s problémem jedné AR 166 ohledně osvětlení interiéru. Upřímně už nevím na co se podívat :-(
Co to dělá: Po otevření JAKÝCHKOLIV dveří se interiér nerožne.. Čas od času když je dobrá poloha měsíce a marsuinteriér rožne ale po zavření dveří svítí dokud ho časové relátko nevypne. Pak zase nesvítí.. V kufru osvětlení funguje.
Co sem prošel: Šedé relátko za ICS vyměněno i s paticí a kusy kablíků
Stropní světlo též vyměněno, kdyby to dělal přepínač v něm
postupně odpojeny všechny dveře jestli to nedělá zámek. Též nepomohlo ani při různých kombinacích
ŘJ světel vyměněna též nepomohlo
Pojistky i pojistkovka OK
Napadá někoho na co se ještě podívat?
Ja by som skusil este nejake dalsie sede relatko. Moje rele naoko funkcne fungovalo vzdy len 10minut. potom mu zadrbkalo a ovetlenie svietilo stale.
Alfa Romeo 156 GTA momentálne v kompletnej rekonštrukcii
ex.Alfa Romeo 156sw 3.0V6 24v
ex.Alfa Romeo 156fl 2.4jtdm20V
ex.Lancia Thesis 3.0v6 24v
ex.Alfa Romeo 156sw 1.9jtd 85kw
ex.Alfa Romeo 147 1.9jtd 85kw
ex.Lancia Thesis Emblema 2.4jtd 20v
ex.Alfa Romeo 156sw 3.0V6 24v
ex.Alfa Romeo 156fl 2.4jtdm20V
ex.Lancia Thesis 3.0v6 24v
ex.Alfa Romeo 156sw 1.9jtd 85kw
ex.Alfa Romeo 147 1.9jtd 85kw
ex.Lancia Thesis Emblema 2.4jtd 20v
Re: Pokec o Alfě 166 (krátké dotazy, dojmy apod.)
Už sem zkusil 3 z aut co fungovaly :-( ale díky další nápady?
PS: relé přepojeno a stejně nefičí.. pomohlo by schéma kam dál to jde nebo rada...
PS: relé přepojeno a stejně nefičí.. pomohlo by schéma kam dál to jde nebo rada...
www.Carsch-auto.cz
Jeep Commander 5,7 V8 Hemi
Lancia Phedra 2,2 JTD 94kW
Lancia Lybra SW 1,9 JTD
Alfa Romeo 164 2,0TS
Ex:
AR:146,156,166 / Lancia:Lybra, Kappa / Chrysler Grand Voyager 2,5CRD RG / Ssang Yong Rexton 2,7 XDi
Jeep Commander 5,7 V8 Hemi
Lancia Phedra 2,2 JTD 94kW
Lancia Lybra SW 1,9 JTD
Alfa Romeo 164 2,0TS
Ex:
AR:146,156,166 / Lancia:Lybra, Kappa / Chrysler Grand Voyager 2,5CRD RG / Ssang Yong Rexton 2,7 XDi
Re: Pokec o Alfě 166 (krátké dotazy, dojmy apod.)
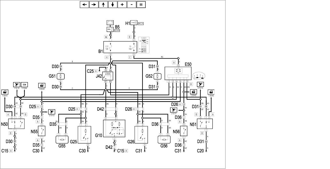
tu je kompletna schema osvetlenia interieru, nemam teraz cas skumat to, poprekladaj si tie anglicke nazvy v zozname nizsie a podla toho ti vecer omrknem viac. 
Alfa Romeo 156 GTA momentálne v kompletnej rekonštrukcii
ex.Alfa Romeo 156sw 3.0V6 24v
ex.Alfa Romeo 156fl 2.4jtdm20V
ex.Lancia Thesis 3.0v6 24v
ex.Alfa Romeo 156sw 1.9jtd 85kw
ex.Alfa Romeo 147 1.9jtd 85kw
ex.Lancia Thesis Emblema 2.4jtd 20v
ex.Alfa Romeo 156sw 3.0V6 24v
ex.Alfa Romeo 156fl 2.4jtdm20V
ex.Lancia Thesis 3.0v6 24v
ex.Alfa Romeo 156sw 1.9jtd 85kw
ex.Alfa Romeo 147 1.9jtd 85kw
ex.Lancia Thesis Emblema 2.4jtd 20v
Re: Pokec o Alfě 166 (krátké dotazy, dojmy apod.)
Hmmm jestli v tom nemá prsty centrál páč otevření dveří kontroluje zámek v kterém je microspínač. Centrál funguje v poho ?
Ex 166 JTD 100kw (nedobrovolně EX )
Ex 166 JTD-M 129KW (je čas na změnu)
159 1.8 Mpi kočár kolem komína
Ex 166 JTD-M 129KW (je čas na změnu)
159 1.8 Mpi kočár kolem komína
Re: Pokec o Alfě 166 (krátké dotazy, dojmy apod.)
To Erik: mockrát děkuju!
To Zip: Ano centrál by v tom mohl mít prsty, ale Centrál bezproblému funguje, funguje i signalizace otevření a zavření dveří na přístrojovce a mikrospínače v zámcích budou ale už mám odzkoušené že i když odpojím troje dveře na kabelu mazi kastlí a dveřmi a 4té otevřu interiér rosvítí. tady jsem zkoušel různé kombinace a ani jedna nepomohla tzn v zámcích ani dveřích problém nebude..
To Zip: Ano centrál by v tom mohl mít prsty, ale Centrál bezproblému funguje, funguje i signalizace otevření a zavření dveří na přístrojovce a mikrospínače v zámcích budou ale už mám odzkoušené že i když odpojím troje dveře na kabelu mazi kastlí a dveřmi a 4té otevřu interiér rosvítí. tady jsem zkoušel různé kombinace a ani jedna nepomohla tzn v zámcích ani dveřích problém nebude..
www.Carsch-auto.cz
Jeep Commander 5,7 V8 Hemi
Lancia Phedra 2,2 JTD 94kW
Lancia Lybra SW 1,9 JTD
Alfa Romeo 164 2,0TS
Ex:
AR:146,156,166 / Lancia:Lybra, Kappa / Chrysler Grand Voyager 2,5CRD RG / Ssang Yong Rexton 2,7 XDi
Jeep Commander 5,7 V8 Hemi
Lancia Phedra 2,2 JTD 94kW
Lancia Lybra SW 1,9 JTD
Alfa Romeo 164 2,0TS
Ex:
AR:146,156,166 / Lancia:Lybra, Kappa / Chrysler Grand Voyager 2,5CRD RG / Ssang Yong Rexton 2,7 XDi
Re: Pokec o Alfě 166 (krátké dotazy, dojmy apod.)
Tak opraveno..
Po projití schématu a odpípání odzkoušení níc.. tak sem vykuchal interiér a kabel po kabelu šel. Nakonec jsem zjistil že do přístrojové desky vede - kabel co je napojen i na ztmívací relé který vypálil díky vypálenému relé část tišťáku v přístrojové desce která nejevila žádné poškození. Přístrojovka vyměněna a už vše funguje..
Aby se nestrhla debata podle schéma vede z přístrojovky kabel na sepnutí relé.. ten samotřejmě existuje. Nalezený kabel vede z přístrojovky na - od světel které když se připojí interiér rožne..
alfa opravena du se mrdat s posraným VW :-/ 
Po projití schématu a odpípání odzkoušení níc.. tak sem vykuchal interiér a kabel po kabelu šel. Nakonec jsem zjistil že do přístrojové desky vede - kabel co je napojen i na ztmívací relé který vypálil díky vypálenému relé část tišťáku v přístrojové desce která nejevila žádné poškození. Přístrojovka vyměněna a už vše funguje..
Aby se nestrhla debata podle schéma vede z přístrojovky kabel na sepnutí relé.. ten samotřejmě existuje. Nalezený kabel vede z přístrojovky na - od světel které když se připojí interiér rožne..
www.Carsch-auto.cz
Jeep Commander 5,7 V8 Hemi
Lancia Phedra 2,2 JTD 94kW
Lancia Lybra SW 1,9 JTD
Alfa Romeo 164 2,0TS
Ex:
AR:146,156,166 / Lancia:Lybra, Kappa / Chrysler Grand Voyager 2,5CRD RG / Ssang Yong Rexton 2,7 XDi
Jeep Commander 5,7 V8 Hemi
Lancia Phedra 2,2 JTD 94kW
Lancia Lybra SW 1,9 JTD
Alfa Romeo 164 2,0TS
Ex:
AR:146,156,166 / Lancia:Lybra, Kappa / Chrysler Grand Voyager 2,5CRD RG / Ssang Yong Rexton 2,7 XDi
Re: Pokec o Alfě 166 (krátké dotazy, dojmy apod.)
ICS mi prestala ukazovat spotrebu dane jizdy a uplne mi prestalo fungovat ovladani ventilace...pricinou byl asi mensi zkrat. kde najdu nejakou pojistku ktera by to mohla delat?
Zakladatel webu a fóra Alfisti.cz...
Kdo je online
Uživatelé prohlížející si toto fórum: Žádní registrovaní uživatelé a 2 hosti
