edit: pri mensej rychlosti ked(nie je to pravdilene) zacne chviet tak az kluce pocujem jak poskakuju a pri tej 100ke te jo dost take rychle chvenie jak v elektricke
Podvozek - koncepce,problémy
Re: Podvozek - koncepce,problémy
pred nedavnom som chytil dieru= ohnute 2 disky(vyvazene narovnane ok), a zlomilo sa mi o dieru zadne pozdlzne rameno kotre uz je tiez vymenene no supa neskutocna
no jak som to opravil vysiel som na cestu a auto sa zacalo chviet pri urcitych rychlostiach pred tym som citil chvenie len pri 80km ale teraz je to take dost nepravidelne a neviem k comu to prirovnat no zda sa mi ze to ide z predu... moze byt ze je ohnuta poloos? abo geometria tlmice alebo disky aj ked tie boli vyvazene
edit: pri mensej rychlosti ked(nie je to pravdilene) zacne chviet tak az kluce pocujem jak poskakuju a pri tej 100ke te jo dost take rychle chvenie jak v elektricke
edit: pri mensej rychlosti ked(nie je to pravdilene) zacne chviet tak az kluce pocujem jak poskakuju a pri tej 100ke te jo dost take rychle chvenie jak v elektricke
166 2.5 V6 rv.00 Q2, lpg
166 2.5 V6 rv.98(ženin presúvač)
ex:Spider 1.8 TS, 156 1.6 TS
166 2.5 V6 rv.98(ženin presúvač)
ex:Spider 1.8 TS, 156 1.6 TS
Re: Podvozek - koncepce,problémy
skus si pozicat nejake druhe disky, viem boli rovnane ale zacal by som tym a mas istotu ze to nebude tymi diskami... 
Re: Podvozek - koncepce,problémy
no riesim to riesim ale bojim sa ze to nedoriesim disky nemam z kade ine iba ak v lete nahodim elektrony ale na nich si pametam ze to pri tej 80km/h vybrovalo este viac no a na diskoch to nebolo citit a teraz je to citit po tej diere jak svina
166 2.5 V6 rv.00 Q2, lpg
166 2.5 V6 rv.98(ženin presúvač)
ex:Spider 1.8 TS, 156 1.6 TS
166 2.5 V6 rv.98(ženin presúvač)
ex:Spider 1.8 TS, 156 1.6 TS
Re: Podvozek - koncepce,problémy
Ty kola co byli křapnuté prohoď za ty kola co byli v pořádku
Limo* s bussem (166 3.0)
Ex: 156TS
Ex: 156TS
Re: Podvozek - koncepce,problémy
tak vyriesene... v prvom pneuservise sa velmi s rovnanim disku nebabrali az na druhy pokus v inom pneu. ho vyklepal jak sa ma a auto uz ide hladko... chlapek mal bravo tak sme aj trochu pokecali o talianoch 
166 2.5 V6 rv.00 Q2, lpg
166 2.5 V6 rv.98(ženin presúvač)
ex:Spider 1.8 TS, 156 1.6 TS
166 2.5 V6 rv.98(ženin presúvač)
ex:Spider 1.8 TS, 156 1.6 TS
Re: Podvozek - koncepce,problémy
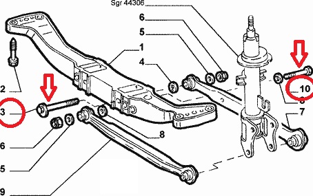
Potrebujem radu. Po vymene zadnych tlmicov mi zacalo suchat pozdlzne rameno o vnutro elektronu(medzi ramenom a elektronom je medzera max.4mm). Podotykam, ze elektrony su original, ale vsimol som si, ze silentbloky v tehlici su vytlacene do strany, pretoze tam nebola original velka podlozka, ktoru som tam teraz vymenil. Ale aj tak medzera medzi ramenom a elektronom je stale 4mm. Myslite, ze pomoze geometria zadnych kolies?
Dik za odpovede
Dik za odpovede
- speedy
- SemTuFurt
- Příspěvky: 7359
- Registrován: 11.10.2009, ned 17:24
- Bydliště: Jablonec nad Nisou
- Kontaktovat uživatele:
Re: Podvozek - koncepce,problémy
a nekoupil si třeba obě podélná ramena jen na jednu stranu? je totiž levé a pravé 
Naposledy upravil(a) speedy dne 9.3.2014, ned 21:10, celkem upraveno 1 x.
AR Tonale Speciale 1.5 VGT 118Kw
AR Giulietta 1.4 T-Jet 88kw Sportiva
EX AR Giulia 2.2JTD Super 8AT 110kw
EX AR 159 SW 1.9JTDm 110kw - to je vražda, napsala
EX AR 159 SW 2.4JTDm 154kw Ti
EX AR 156 SW 2.4JTDm 129kw
EX AR 147 1.6 TS 88kw
AR Giulietta 1.4 T-Jet 88kw Sportiva
EX AR Giulia 2.2JTD Super 8AT 110kw
EX AR 159 SW 1.9JTDm 110kw - to je vražda, napsala
EX AR 159 SW 2.4JTDm 154kw Ti
EX AR 156 SW 2.4JTDm 129kw
EX AR 147 1.6 TS 88kw
Re: Podvozek - koncepce,problémy
Já myslel, že nejdou ty ramena prohodit kdyď by je každé jinak prohnutý.... teda aspoň já to tak měl
Nebude to náhodou tím, že máš ty silentbloky v těhlici vyběhlí a tím to máš asi celý nakřivo?
Vyměň ty silentbloky a mělo by to být v pohodě..... teda snad
Nebude to náhodou tím, že máš ty silentbloky v těhlici vyběhlí a tím to máš asi celý nakřivo?
Vyměň ty silentbloky a mělo by to být v pohodě..... teda snad
Alfa Romeo 156 1.8 TS
Alfa Romeo 159 1.9 JTDm
Alfa Romeo 159 1.9 JTDm
Re: Podvozek - koncepce,problémy
no dufam ze hejmarexx píše:Já myslel, že nejdou ty ramena prohodit kdyď by je každé jinak prohnutý.... teda aspoň já to tak měl
Nebude to náhodou tím, že máš ty silentbloky v těhlici vyběhlí a tím to máš asi celý nakřivo?
Vyměň ty silentbloky a mělo by to být v pohodě..... teda snad
Re: Podvozek - koncepce,problémy
Příčné ramena nijak prohlé nejsou.
Foto pls
Foto pls
Limo* s bussem (166 3.0)
Ex: 156TS
Ex: 156TS
- jouda
- Nováček
- Příspěvky: 201
- Registrován: 24.5.2010, pon 07:17
- Bydliště: Blatná (okr. Strakonice)
- Kontaktovat uživatele:
Re: Podvozek - koncepce,problémy
Mám dotaz. Sice to možná patří do sekce bazar, ale zkusím to tady.
POtřeboval bych vyměnit za nové průchozí excentrické šrouby na zadní nápravě. Mám je zarezlé a nemůžu nastavit geometrii.
Nevíte kde sežeu nové nebo nemáte náhodou někdo na prodej tyto šrouby?
POtřeboval bych vyměnit za nové průchozí excentrické šrouby na zadní nápravě. Mám je zarezlé a nemůžu nastavit geometrii.
Nevíte kde sežeu nové nebo nemáte náhodou někdo na prodej tyto šrouby?
Alfa Romeo 156 2.5 V6 140kW AKTUÁLNÍ
Alfa Romeo GTV 2.0TS LUSSO - GO kliky (zadrena klika) 170 000 PRODÁNO
Alfa Romeo 156 2.0TS Sport Packet III - CRASH 97 000
Alfa Romeo GTV 2.0TS LUSSO - GO kliky (zadrena klika) 170 000 PRODÁNO
Alfa Romeo 156 2.0TS Sport Packet III - CRASH 97 000
Re: Podvozek - koncepce,problémy
Ten levý excentr mám. Ten vpravo je pokud se nepletu obyčejný šroub.
Oni se chytaj vtom hlinikovem nosníku, sem to rval pákou přes 2m sem tam sem ho i ukroutil
Oni se chytaj vtom hlinikovem nosníku, sem to rval pákou přes 2m sem tam sem ho i ukroutil
Limo* s bussem (166 3.0)
Ex: 156TS
Ex: 156TS
- jouda
- Nováček
- Příspěvky: 201
- Registrován: 24.5.2010, pon 07:17
- Bydliště: Blatná (okr. Strakonice)
- Kontaktovat uživatele:
Re: Podvozek - koncepce,problémy
Já mám další hlinikovy blok doma,tak bych si ho složil a pak jenom prohodil,ale potřeboval bych ty centry a pak tedy aspoň rozměry těch krajních šroubů,abych věděl co mám objednat
Alfa Romeo 156 2.5 V6 140kW AKTUÁLNÍ
Alfa Romeo GTV 2.0TS LUSSO - GO kliky (zadrena klika) 170 000 PRODÁNO
Alfa Romeo 156 2.0TS Sport Packet III - CRASH 97 000
Alfa Romeo GTV 2.0TS LUSSO - GO kliky (zadrena klika) 170 000 PRODÁNO
Alfa Romeo 156 2.0TS Sport Packet III - CRASH 97 000
Re: Podvozek - koncepce,problémy
Ten jeden excent bych i pustil
Ten druhej šroub si můžeš změřit jednoduše
Zkusím mrknout do elearnu
Ten druhej šroub si můžeš změřit jednoduše
Zkusím mrknout do elearnu
Limo* s bussem (166 3.0)
Ex: 156TS
Ex: 156TS
- jouda
- Nováček
- Příspěvky: 201
- Registrován: 24.5.2010, pon 07:17
- Bydliště: Blatná (okr. Strakonice)
- Kontaktovat uživatele:
Re: Podvozek - koncepce,problémy
no kdyby se ti naaahodou chtělo
tak bych ti byl mooooc vděčný
Kdyby náhodou, pošli mi do PM telefon a já ti zavolám
Kdyby náhodou, pošli mi do PM telefon a já ti zavolám
Alfa Romeo 156 2.5 V6 140kW AKTUÁLNÍ
Alfa Romeo GTV 2.0TS LUSSO - GO kliky (zadrena klika) 170 000 PRODÁNO
Alfa Romeo 156 2.0TS Sport Packet III - CRASH 97 000
Alfa Romeo GTV 2.0TS LUSSO - GO kliky (zadrena klika) 170 000 PRODÁNO
Alfa Romeo 156 2.0TS Sport Packet III - CRASH 97 000
Re: Podvozek - koncepce,problémy
Zapoměl jsem napsat. Na podzim jsem měnil silenty. Místo klasické grafitky nebo plastiky jsem na napatlal molybdenen a situace je taková, že do teď jsem je neslyšel vrznout.
Limo* s bussem (166 3.0)
Ex: 156TS
Ex: 156TS
Re: Podvozek - koncepce,problémy
vazelinou nebo práškem v alkoholu?
Re: Podvozek - koncepce,problémy
som tu pocul o ohnutych tehliciach ale ako zistim ze ju mam ohnutu? sa mi vidi ze na jednej strane mi zerie gumu z vnutra cca 2 cm a na druhej asi 3.5 cm zvysok rovnomerne opotrebovane
166 2.5 V6 rv.00 Q2, lpg
166 2.5 V6 rv.98(ženin presúvač)
ex:Spider 1.8 TS, 156 1.6 TS
166 2.5 V6 rv.98(ženin presúvač)
ex:Spider 1.8 TS, 156 1.6 TS
Re: Podvozek - koncepce,problémy
Těhlici neohneš i kdyby ses posral
Molybden ve vazelině
Resp Molybdenový mazací tuk
Molybden ve vazelině
Resp Molybdenový mazací tuk
Limo* s bussem (166 3.0)
Ex: 156TS
Ex: 156TS
Re: Podvozek - koncepce,problémy
sakra asi som to zle pomenoval
tak ako sa vola ten kus v ktorom je zapichnuty cap horneho ramena?
166 2.5 V6 rv.00 Q2, lpg
166 2.5 V6 rv.98(ženin presúvač)
ex:Spider 1.8 TS, 156 1.6 TS
166 2.5 V6 rv.98(ženin presúvač)
ex:Spider 1.8 TS, 156 1.6 TS
Re: Podvozek - koncepce,problémy
Pojmenoval si to dobre, to je tehlice.
Tu jen tak neohnes, jestli se Ti to blbe sjizdi, zajdi na geo
Tu jen tak neohnes, jestli se Ti to blbe sjizdi, zajdi na geo
Limo* s bussem (166 3.0)
Ex: 156TS
Ex: 156TS
Re: Podvozek - koncepce,problémy
geo nepomohla
a na zimakoch R15 je to ok letne r16 uz ale nie... musi byt zly odklon asi skontrolujem silenty v hornych ramenach 
166 2.5 V6 rv.00 Q2, lpg
166 2.5 V6 rv.98(ženin presúvač)
ex:Spider 1.8 TS, 156 1.6 TS
166 2.5 V6 rv.98(ženin presúvač)
ex:Spider 1.8 TS, 156 1.6 TS
Re: Podvozek - koncepce,problémy
nejakou nahodou som natrafil na toto a ako to funguje? lisuje to loziska do zadnych ramien ci jak?
http://www.depoauto.sk/product_info.php ... 3fbfa354d6
http://www.depoauto.sk/product_info.php ... 3fbfa354d6
166 2.5 V6 rv.00 Q2, lpg
166 2.5 V6 rv.98(ženin presúvač)
ex:Spider 1.8 TS, 156 1.6 TS
166 2.5 V6 rv.98(ženin presúvač)
ex:Spider 1.8 TS, 156 1.6 TS
Re: Podvozek - koncepce,problémy
to nebude na 156ku,takové sady se dělají na fiaty bravo/a,marea a na alfy se stejným podvozkem 
AR 156 sw 2.4 jtd 110kw(ex)
AR 156 sw 2.4 jtdm 129kw(ex)
AR Giulietta QV 173kw
AR 156 sw 2.4 jtdm 129kw(ex)
AR Giulietta QV 173kw
Re: Podvozek - koncepce,problémy
Zdravím,
měl jsem dole obě nápravnice a mám dotaz, jestli se to pak musí nějak centrovat, aby to nedělalo bordel na geometrii ?
Díky
EDIT: nikdo nic, žádný servisman ?
měl jsem dole obě nápravnice a mám dotaz, jestli se to pak musí nějak centrovat, aby to nedělalo bordel na geometrii ?
Díky
EDIT: nikdo nic, žádný servisman ?
Alfa Romeo 156 2.4JTD SW [129kW][2005]
Peugeot 206 GTI [99kW][2000]
Alfa Romeo 156 1.9JTD [77kW][1999]
Peugeot 206 GTI [99kW][2000]
Alfa Romeo 156 1.9JTD [77kW][1999]
Kdo je online
Uživatelé prohlížející si toto fórum: Žádní registrovaní uživatelé a 1 host
