
vyhřívané sedačky...
Re: vyhřívané sedačky...
No jasnačka, že jo 

Alfa Romeo 159 2,2 ti
Alfa Romeo 156 2.0 JTS
ex Alfa Romeo 146 1.4 TS
Alfa Romeo 156 2.0 JTS
ex Alfa Romeo 146 1.4 TS
Re: vyhřívané sedačky...
Tak to jsem rád. 

147 1.9 JTD ...konec italského dobrodružství.
...italské dobrodružství pokračuje. Stilo MW 1.9 JTD Mjet
...italské dobrodružství pokračuje. Stilo MW 1.9 JTD Mjet
- Maxa
- Štamgast
- Příspěvky: 812
- Registrován: 31.8.2008, ned 08:11
- Bydliště: Ostrava-Výškovice
- Kontaktovat uživatele:
Re: vyhřívané sedačky...
Tak jsem zjistil,že mi nehřeje ani jedna sedačka.Nikde to nemá pojistku.Nevíte čím to může být.Snad nejsou obě špatné 

Ex Alfa Romeo 159 JTDm 110kw
ex AR 147 1.6TS 88KW
Ex Mazda 6 Gj kombi 2,2 141 kw
Alfaromeo Stelvio Veloce 2,2 154Kw
ex AR 147 1.6TS 88KW
Ex Mazda 6 Gj kombi 2,2 141 kw
Alfaromeo Stelvio Veloce 2,2 154Kw
Re: vyhřívané sedačky...
pojistku by to mít mělo...
- Lekarnicka
- Pozorovatel
- Příspěvky: 357
- Registrován: 14.9.2012, pát 14:42
- Bydliště: Somewhere on the Earth
- Kontaktovat uživatele:
Re: vyhřívané sedačky...
Ahoj,
Technická, mam kožené sedačky s výhřevem, kde jeden konektor je na airbag a kontrolku zapnutí pásu a druhý svazek na vyhřívání. V tom svazku jsou 3 kabele kam je natáhnout? Jeden na kostru a jeden na +12 V + napojistku? Pokud ano tak na jakou pojistku ? o.O
Technická, mam kožené sedačky s výhřevem, kde jeden konektor je na airbag a kontrolku zapnutí pásu a druhý svazek na vyhřívání. V tom svazku jsou 3 kabele kam je natáhnout? Jeden na kostru a jeden na +12 V + napojistku? Pokud ano tak na jakou pojistku ? o.O
- Princ William
- Štamgast
- Příspěvky: 526
- Registrován: 27.10.2010, stř 10:01
- Bydliště: Plzeň
Re: vyhřívané sedačky...
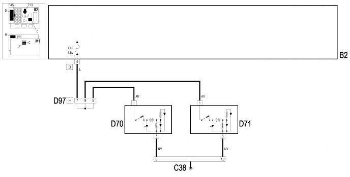
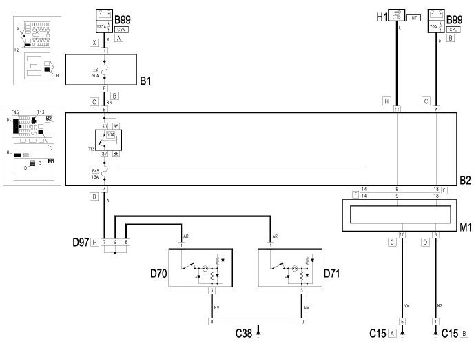
Většinou stačí dotáhnout kabel od B2-4D k sedačkám. D97H je propojka na podlaze (aby jsi netahal 2 kabely od bodycompu) pod sedačkou řidiče a C38 je zem u páky ruční brzdy. Svorkovnice na výhřev mají ale pouze 2 piny!!
AR 147 QV, 1.6 TS 88 kW, 2009, 5d, Bianco Pastello HWB
- Lekarnicka
- Pozorovatel
- Příspěvky: 357
- Registrován: 14.9.2012, pát 14:42
- Bydliště: Somewhere on the Earth
- Kontaktovat uživatele:
Re: vyhřívané sedačky...
Máš pravdu, v kontektoru jsou 2 dráty...
Mě totiž z řidičovi sedačky čouhaj 3 uštíplé dráty v jednom svazku
1 je černý, a další 2 ve žluté bužírce jsou hnědé a modré
Mě totiž z řidičovi sedačky čouhaj 3 uštíplé dráty v jednom svazku
1 je černý, a další 2 ve žluté bužírce jsou hnědé a modré
- Princ William
- Štamgast
- Příspěvky: 526
- Registrován: 27.10.2010, stř 10:01
- Bydliště: Plzeň
Re: vyhřívané sedačky...
Žlutá bužírka a kabely v ní jsou od airgabu....respektivě svorkovnice od airbagu pod sedačkou má 3 piny, čili 3 vodiče.
Sedačka řidiče Q30:
černý - pin 3 - zem
modrý -pin 2
hnědý - pin 1
Sedačka řidiče Q30:
černý - pin 3 - zem
modrý -pin 2
hnědý - pin 1
AR 147 QV, 1.6 TS 88 kW, 2009, 5d, Bianco Pastello HWB
- Lekarnicka
- Pozorovatel
- Příspěvky: 357
- Registrován: 14.9.2012, pát 14:42
- Bydliště: Somewhere on the Earth
- Kontaktovat uživatele:
Re: vyhřívané sedačky...
Posílam ty fotky http://jpeg.cz/images/2014/01/17/vVZzK.jpg Takhle to vypadá, s tím, že 3 kabílky které koukají vedou v tlustem svazku směr vyhřívání. Koukal jsem ještě na konektor který vede směrem k pásu a ten se zdá být OK... Tuší někdo jak to tedy zapojit ? o.O
http://jpeg.cz/images/2014/01/17/HtzoM.jpg Takto to vypadá z boku
http://jpeg.cz/images/2014/01/17/HtzoM.jpg Takto to vypadá z boku
- Princ William
- Štamgast
- Příspěvky: 526
- Registrován: 27.10.2010, stř 10:01
- Bydliště: Plzeň
Re: vyhřívané sedačky...
Ty asi špatně čteš. Už jsem psal výše, že se jedná o kabely od bočního airbagu v sedačce. Pokud koukám na ty svorkovnice (viz první fotka), tak dolní je od kontrolky zapnutého pásu, nad ní je výhřev sedačky a pak bez svorkovnice je airbag.
Na druhé fotce je vidět jak mizí kabel v sedáku, čili zapojení deky v sedáku.
Když se ještě vrátím k tomu zapojení výhřevu který je uvedeno výše, tak černý je zem a druhý je +, další kabel tam není (viz D70)!
Na druhé fotce je vidět jak mizí kabel v sedáku, čili zapojení deky v sedáku.
Když se ještě vrátím k tomu zapojení výhřevu který je uvedeno výše, tak černý je zem a druhý je +, další kabel tam není (viz D70)!
AR 147 QV, 1.6 TS 88 kW, 2009, 5d, Bianco Pastello HWB
Re: vyhřívané sedačky...
Zdarec chlapy jsem tu novej mam alficu 147 1.9 jtd 85kw mam vyhřívání sedaček ale nefunguje ani jedna, dival jsem se na pojistky pod volantem a tam jsou všechny dobrý nevíte co s tím?
- coyote
- SemTuFurt
- Příspěvky: 3585
- Registrován: 13.8.2007, pon 12:07
- Bydliště: blízko Kralup nad Vltavou
Re: vyhřívané sedačky...
Asi v háji vypínače v sedačkách...
Alfa Romeo 147 1.9 JTD 2002 ex.
Alfa Romeo 164 3.0 V6 12V 1990
Alfa Romeo 166 3.0 V6 24V 2000
Škoda Superb II 3.6 V6 4x4 2010 na prodej
Alfa Romeo 164 3.0 V6 12V 1990
Alfa Romeo 166 3.0 V6 24V 2000
Škoda Superb II 3.6 V6 4x4 2010 na prodej
- Lekarnicka
- Pozorovatel
- Příspěvky: 357
- Registrován: 14.9.2012, pát 14:42
- Bydliště: Somewhere on the Earth
- Kontaktovat uživatele:
Re: vyhřívané sedačky...
Ještě bych trochu rozved to téma na připojení sedaček.
Jak si psal je tam někde svazek/ propojka, tu jsem nenašel a musím tahat kabel od Bodycomputeru
To schéma asi nebude platit pro 1.6 Eco? Nebo jo? Protože jak je pojistková skřín pod volantem tak u ní mam víc pojistek než je na nákresu. Na nákresu je to 5x6 a já mam v autě 6x6. Takže neutším jaká pojistka F46 to má přesně být. Dál ve svorkovnici D jaky je to přesně pin? Podle nákresu a popisku by to měl být číslo 14?Nebo sem uplně blbej už ? Jestli jo jak to spočíta z leva doprava nebo od zhora dolu . A nakonec jde to schéma nakreslit jako pro debila jak to přesně má být? Třeba v malovaní ? s popiskem?
Díky za pomoc
Jak si psal je tam někde svazek/ propojka, tu jsem nenašel a musím tahat kabel od Bodycomputeru
To schéma asi nebude platit pro 1.6 Eco? Nebo jo? Protože jak je pojistková skřín pod volantem tak u ní mam víc pojistek než je na nákresu. Na nákresu je to 5x6 a já mam v autě 6x6. Takže neutším jaká pojistka F46 to má přesně být. Dál ve svorkovnici D jaky je to přesně pin? Podle nákresu a popisku by to měl být číslo 14?Nebo sem uplně blbej už ? Jestli jo jak to spočíta z leva doprava nebo od zhora dolu . A nakonec jde to schéma nakreslit jako pro debila jak to přesně má být? Třeba v malovaní ? s popiskem?
Díky za pomoc
- Princ William
- Štamgast
- Příspěvky: 526
- Registrován: 27.10.2010, stř 10:01
- Bydliště: Plzeň
Re: vyhřívané sedačky...
Jeden kabel je tažen od bodykompu pod sedačku řidiče kde je propojka (je to na podlaze pod kobercem, ne na sedačce). Schéma je i na ECO, 5x6 je správně, první sloupec pojistek jsou náhradní
Ve svorkovnici D je to pin 4 (v origo zapojení je to modrý drát, ty ho tam ale určitě mít nebudeš). Na svorkovnici je vždy uvedeno číslování, bývá tam první a poslední číslo někde z boku (co si pamatuji tak je to číslovaný v dlouhých sloupcích). No to zapojení je jednoduchý i podle nákresu nahoře, ale překreslim Ti to ještě jednodušeji....
Tohle budeš muset dotáhnout, ostatní by tam mělo už být. Pokud se i tak v tom nevyznáš, tak raději zajeď za elektrikářem, aby Tě pak auto nelehlo popelem.

Ve svorkovnici D je to pin 4 (v origo zapojení je to modrý drát, ty ho tam ale určitě mít nebudeš). Na svorkovnici je vždy uvedeno číslování, bývá tam první a poslední číslo někde z boku (co si pamatuji tak je to číslovaný v dlouhých sloupcích). No to zapojení je jednoduchý i podle nákresu nahoře, ale překreslim Ti to ještě jednodušeji....
Tohle budeš muset dotáhnout, ostatní by tam mělo už být. Pokud se i tak v tom nevyznáš, tak raději zajeď za elektrikářem, aby Tě pak auto nelehlo popelem.
AR 147 QV, 1.6 TS 88 kW, 2009, 5d, Bianco Pastello HWB
- Lekarnicka
- Pozorovatel
- Příspěvky: 357
- Registrován: 14.9.2012, pát 14:42
- Bydliště: Somewhere on the Earth
- Kontaktovat uživatele:
Re: vyhřívané sedačky...
No tak s těma pojistkama si mě dostal, teď si připadam jak naprostej osel
.
Když se na to tak dívam, tak by mělo stačit ze svorkovnice D z pinu 4 tahat kabel směr konektor k sedačce a další drát zapojit na zem u ruční brzdy a mělo by to fungovat?
Jestli to takle není tak to vidím na elektrikáře :/

Když se na to tak dívam, tak by mělo stačit ze svorkovnice D z pinu 4 tahat kabel směr konektor k sedačce a další drát zapojit na zem u ruční brzdy a mělo by to fungovat?
Jestli to takle není tak to vidím na elektrikáře :/
- Princ William
- Štamgast
- Příspěvky: 526
- Registrován: 27.10.2010, stř 10:01
- Bydliště: Plzeň
Re: vyhřívané sedačky...
Je to přesně tak jak píšeš.
AR 147 QV, 1.6 TS 88 kW, 2009, 5d, Bianco Pastello HWB
- Lekarnicka
- Pozorovatel
- Příspěvky: 357
- Registrován: 14.9.2012, pát 14:42
- Bydliště: Somewhere on the Earth
- Kontaktovat uživatele:
Re: vyhřívané sedačky...
Super jsem rád, že jsem to pochopil 
Sice si na mě musel jak na debila ale budiž, o víkendu se k tomu snad dostanu a dám to dohromady.
Tobě samozřejmě patří i velké díky, takže děkuji

Sice si na mě musel jak na debila ale budiž, o víkendu se k tomu snad dostanu a dám to dohromady.
Tobě samozřejmě patří i velké díky, takže děkuji
- Princ William
- Štamgast
- Příspěvky: 526
- Registrován: 27.10.2010, stř 10:01
- Bydliště: Plzeň
Re: vyhřívané sedačky...
Kdyby byla potřeba nějak dále poradit, tak písni SZ. Jinak díky za pochvalu, nebyla třeba 

AR 147 QV, 1.6 TS 88 kW, 2009, 5d, Bianco Pastello HWB
- Lekarnicka
- Pozorovatel
- Příspěvky: 357
- Registrován: 14.9.2012, pát 14:42
- Bydliště: Somewhere on the Earth
- Kontaktovat uživatele:
Re: vyhřívané sedačky...
Pro info, již týden to funguje bez problemu, sedačky krásně hřejou a je radost si v nich vozit zadnici.Dokonce se samy i vypínají když je telota příliš vysoka a když se schladí tak začnou zas hřát. Ještě jednou díky za ty nákresy a vysvětlení ;)
Re: vyhřívané sedačky...
Čau kluci mám problém s vyhříváním. K čudlíky zapínání sedačky mi vedou 4 kabely (2 červený, 1 černý a 1 hnědý) a ten hnědý byl už nějak napojovaný nebo prodlužovaný nevím, ale každopádně když je ten hnědý drát odpojený tak kontrolka svítí žlutě jak kdyby se sedačka vyhřívala, ale nevyhřívá a když ten hnědý připojím tak kontrolka se už nerozsvítí ? nevíte co by s tím mohlo být ? ( konektor má ulomený jakoby jeden tunýlek na kabel takže ten kabel tam je volně, ale i když je to k sobě připájený, tak to stejně nefunguje).
Alfa Romeo 147 1.9 JTDm 16V 110Kw, r.v. 2005, 5dv.
Re: vyhřívané sedačky...
Ahoj, při zkoumání prostoru pod sedačkou jsem narazil na volný konektor, který nevede ze sedačky (nejsou vyhřívané), ale vede svazkem společně s airbag konektorem ( žlutě obmotan a připojen k sedačce). Nalezený konektor je bílý viz přiložené obrázky, je možné, že se jedná o konektor na připojení výhřevu sedaček? Díky.
Giuletta QV 1.8 TBi 2011
AR 147 1.6 TS 88kw ex
AR 147 1.6 TS 88kw ex
Re: vyhřívané sedačky...
podle mě by to mělo být vyhřívání
Spider 3.0 V6 12v
MiTo 1.6JTDm
"Drive it like you stole it"+|S
Bývávalo
147 1.6TS ECO ˟²| GT 1.9JTDm ˟²| 159 1.9JTDm 8V | 147 Q2 | Abarth 500 esseesse |Giulietta QV |
MiTo 1.6JTDm
"Drive it like you stole it"+|S
Bývávalo
147 1.6TS ECO ˟²| GT 1.9JTDm ˟²| 159 1.9JTDm 8V | 147 Q2 | Abarth 500 esseesse |Giulietta QV |
- Princ William
- Štamgast
- Příspěvky: 526
- Registrován: 27.10.2010, stř 10:01
- Bydliště: Plzeň
Re: vyhřívané sedačky...
Jo je to na výhřev sedaček.
AR 147 QV, 1.6 TS 88 kW, 2009, 5d, Bianco Pastello HWB
Re: vyhřívané sedačky...
Tak už si taky nahřívám zadnici. :-) Dečky namontovány.
Giuletta QV 1.8 TBi 2011
AR 147 1.6 TS 88kw ex
AR 147 1.6 TS 88kw ex
Re: vyhřívané sedačky...
Chtěl bych se podělit se zkušeností z opravy výhřevu sedaček (nebo spíš z opravy spínačů výhřevu).
Ty spínače jsou skutečně velmi hloupě navrženy - spínají výhřev napřímo, osobně se dost divím, že to v autě z roku 2001 vydrželo tak dlouho fungovat. Takto vypadá spínač uvnitř:

Jak je vidět, kontakty jsou dost opálené, celé těleso spínače se trochu rozteklo...
Protože se mi nechce co půl roku kupovat nové spínače, rozhodl jsem se zapojit relé. Sehnal jsem subminiaturní relé, které jde hezky nalepit přímo na konektor spínače. Cívka relé je buzena z 12V podsvětlení spínače (červená LED), samotným spínačem jde při sepnutí jen minimální proud.
Výsledek vypadá takto:



Ty spínače jsou skutečně velmi hloupě navrženy - spínají výhřev napřímo, osobně se dost divím, že to v autě z roku 2001 vydrželo tak dlouho fungovat. Takto vypadá spínač uvnitř:

Jak je vidět, kontakty jsou dost opálené, celé těleso spínače se trochu rozteklo...
Protože se mi nechce co půl roku kupovat nové spínače, rozhodl jsem se zapojit relé. Sehnal jsem subminiaturní relé, které jde hezky nalepit přímo na konektor spínače. Cívka relé je buzena z 12V podsvětlení spínače (červená LED), samotným spínačem jde při sepnutí jen minimální proud.
Výsledek vypadá takto:



Giulia 2.0T
ex. 159 2.2 JTS
ex. 147 1.6TS 88 kW
ex. 156 2.4JTD 103 kW
ex. 159 2.2 JTS
ex. 147 1.6TS 88 kW
ex. 156 2.4JTD 103 kW
Kdo je online
Uživatelé prohlížející si toto fórum: Žádní registrovaní uživatelé a 1 host