Samosvorný diferenciál AR 159
- mcernoch
- SemTuFurt
- Příspěvky: 2301
- Registrován: 20.8.2010, pát 19:18
- Bydliště: Blansko
- Kontaktovat uživatele:
Samosvorný diferenciál AR 159
Nazdar,
protože řeším opravu diferenciálu na AR 159 2,4JTD, tak mám pár postřehů:
Měl jem zhuntovaný obě dvě ložiska který drží diferenciál. Tento problé vyvolával hučení při rozjezdu jako u starých autobusů.
Dále byly dost zásadním způsobem opotřebovány satelity v direnciálu.
To způsobovalo při přidání a ubrání plynu kovové cvaknutí. Chtěl jsem vyměnit pouze satelity, ale samostatně se nedají nikde sehnat.
Jediné řešení bylo objednat celý nový diferenciál přímo v Alfě.
Cena celého dílu je 16.500,-Kč,což je pěkná darda.
Napadlo mě koupit rovnou originál Q2.
Bohužel tento diferenciál do původní skříně nevleze a tak už jsem se ani nepídil po ceně.
V ČŘ dodávají samosvory pár firem a ceny se pohybují okolo 25.000,-Kč
http://www.highperformanceparts.cz/kata ... nekove-atb
Nakonec jsem objevil tento odkaz, kde jsou ceny velice přijatelný:
http://newalfaparts.co.uk/clutch-gearbo ... ntial.html
Originál stránky výrobce i včetně výkresové dokumentace jsou zde:
http://quaife.co.uk/
Jakmikmile dojde a bude namontován, tak sdělí první dojmy z jízdy.
protože řeším opravu diferenciálu na AR 159 2,4JTD, tak mám pár postřehů:
Měl jem zhuntovaný obě dvě ložiska který drží diferenciál. Tento problé vyvolával hučení při rozjezdu jako u starých autobusů.
Dále byly dost zásadním způsobem opotřebovány satelity v direnciálu.
To způsobovalo při přidání a ubrání plynu kovové cvaknutí. Chtěl jsem vyměnit pouze satelity, ale samostatně se nedají nikde sehnat.
Jediné řešení bylo objednat celý nový diferenciál přímo v Alfě.
Cena celého dílu je 16.500,-Kč,což je pěkná darda.
Napadlo mě koupit rovnou originál Q2.
Bohužel tento diferenciál do původní skříně nevleze a tak už jsem se ani nepídil po ceně.
V ČŘ dodávají samosvory pár firem a ceny se pohybují okolo 25.000,-Kč
http://www.highperformanceparts.cz/kata ... nekove-atb
Nakonec jsem objevil tento odkaz, kde jsou ceny velice přijatelný:
http://newalfaparts.co.uk/clutch-gearbo ... ntial.html
Originál stránky výrobce i včetně výkresové dokumentace jsou zde:
http://quaife.co.uk/
Jakmikmile dojde a bude namontován, tak sdělí první dojmy z jízdy.
Naposledy upravil(a) mcernoch dne 28.9.2013, sob 08:14, celkem upraveno 5 x.
Alfa Romeo Stelvio 280HP
Alfa Romeo 159 2,4JTD
Alfa Romeo 156 1,6TS
Ford Escort xr3i
Volkswagen Scirocco II 1,8i
Alfa Romeo 159 2,4JTD
Alfa Romeo 156 1,6TS
Ford Escort xr3i
Volkswagen Scirocco II 1,8i
- pedro m
- SemTuFurt
- Příspěvky: 1425
- Registrován: 5.3.2013, úte 10:26
- Bydliště: karpaty
- Kontaktovat uživatele:
Re: Samosvorný diferenciál AR 159
drzim ti palce, osobne verim ze to bude jedna z nejlepsich investic a promeni to dosti vyzname charakter auta
Subaru WRX STi 2019
EX : Hyundai i30n DCT performance sport
EX : Alfa Romeo 159 SW Q4 2.4JTDm, 1-2-4-5-3
...Není čas ztrácet čas...
EX : Hyundai i30n DCT performance sport
EX : Alfa Romeo 159 SW Q4 2.4JTDm, 1-2-4-5-3
...Není čas ztrácet čas...
Re: Samosvorný diferenciál AR 159
Přesně tak, fandím Ti taky! Jak to platíš?
- cendler
- SemTuFurt
- Příspěvky: 3425
- Registrován: 12.7.2009, ned 07:11
- Bydliště: Sokolov, CR
- Kontaktovat uživatele:
Re: Samosvorný diferenciál AR 159
velmi zajímavé, taky jsem zvědav 
Alfa Romeo 159sw 1,9JTDm 16v automat
víkendovka : Alfa Romeo Spider916 3,2 V6 24v
ženy : Fiat Bravo 1,4 16V-babycar
ex - Alfa Romeo 159sw 2,4JTDm DPF OFF, EGR OFF
Odstraňování DPF, EGR - KILLER of DPF, pořadatel akce Morava
Tel:777@904@438
víkendovka : Alfa Romeo Spider916 3,2 V6 24v
ženy : Fiat Bravo 1,4 16V-babycar
ex - Alfa Romeo 159sw 2,4JTDm DPF OFF, EGR OFF
Odstraňování DPF, EGR - KILLER of DPF, pořadatel akce Morava
Tel:777@904@438
- mcernoch
- SemTuFurt
- Příspěvky: 2301
- Registrován: 20.8.2010, pát 19:18
- Bydliště: Blansko
- Kontaktovat uživatele:
Re: Samosvorný diferenciál AR 159
Jo ještě jedna věc.
Já jsem měnil i dvouhmotu, spojku, spojkový ložisko a přítlačák, takže musela jít převodovka ven.
Pokud by se ale dělal jenom diferák, tak by to šlo vytáhnout jenom ze spodu.
Já jsem měnil i dvouhmotu, spojku, spojkový ložisko a přítlačák, takže musela jít převodovka ven.
Pokud by se ale dělal jenom diferák, tak by to šlo vytáhnout jenom ze spodu.
Alfa Romeo Stelvio 280HP
Alfa Romeo 159 2,4JTD
Alfa Romeo 156 1,6TS
Ford Escort xr3i
Volkswagen Scirocco II 1,8i
Alfa Romeo 159 2,4JTD
Alfa Romeo 156 1,6TS
Ford Escort xr3i
Volkswagen Scirocco II 1,8i
- Cipís
- Štamgast
- Příspěvky: 665
- Registrován: 9.11.2011, stř 21:23
- Bydliště: Plzeňský kraj(Stříbro)
- Kontaktovat uživatele:
Re: Samosvorný diferenciál AR 159
mnooo ... chvilku sem covek neprijde a tady se dejou veci
To musi byt pekna darda vse komplet. I ja jsem zvedavy na tve dojmy se samosvorem 
AR 159SW 1.9JTDm 8V...Ex
AR 147 1.6TS .... Ex
AR 147 1.6TS .... Ex
- mcernoch
- SemTuFurt
- Příspěvky: 2301
- Registrován: 20.8.2010, pát 19:18
- Bydliště: Blansko
- Kontaktovat uživatele:
Re: Samosvorný diferenciál AR 159
No za korunu to není, ale přece tam nebudu dávat vojetý věciCipís píše:mnooo ... chvilku sem covek neprijde a tady se dejou veciTo musi byt pekna darda vse komplet. I ja jsem zvedavy na tve dojmy se samosvorem
Naposledy upravil(a) mcernoch dne 28.9.2013, sob 08:06, celkem upraveno 1 x.
Alfa Romeo Stelvio 280HP
Alfa Romeo 159 2,4JTD
Alfa Romeo 156 1,6TS
Ford Escort xr3i
Volkswagen Scirocco II 1,8i
Alfa Romeo 159 2,4JTD
Alfa Romeo 156 1,6TS
Ford Escort xr3i
Volkswagen Scirocco II 1,8i
Re: Samosvorný diferenciál AR 159
Aspoň, že nejsem jedinej blázen 
Limo* s bussem (166 3.0)
Ex: 156TS
Ex: 156TS
Re: Samosvorný diferenciál AR 159
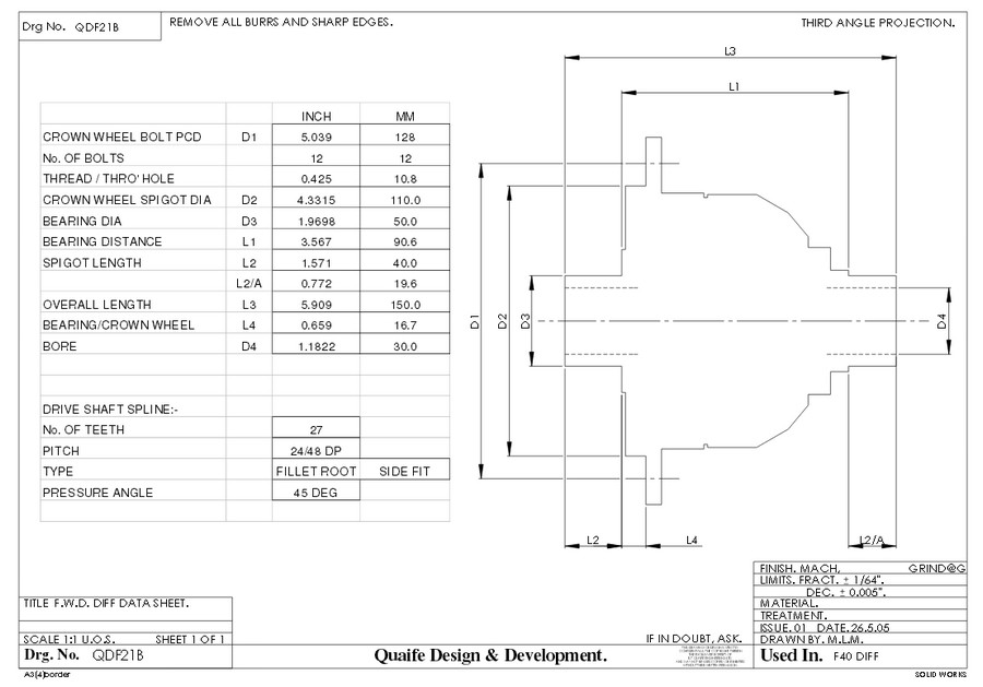
Jasně, montáž je snadná- vycvaknou se poloosy a vyšroubují matice držící kužel. ložiska. Pak jde diferák dolů spodem. Známý chtěl původně čtyřkolku, ale také jsem ho navrtal do Quaife. Bude to dávat na Focuse, nebo Mondeo 2.0 benzín. Zajímá mně hlavně jestli bude bezprobl. ta transakce a zaslání do ČR.
Schéma, jak to funguje v zatáčce:

Schéma, jak to funguje v zatáčce:
- mcernoch
- SemTuFurt
- Příspěvky: 2301
- Registrován: 20.8.2010, pát 19:18
- Bydliště: Blansko
- Kontaktovat uživatele:
Re: Samosvorný diferenciál AR 159
V pondělí to bylo objednáno - placeno přes PAYPAL.Jiřik píše:Jasně, montáž je snadná- vycvaknou se poloosy a vyšroubují matice držící kužel. ložiska. Pak jde diferák dolů spodem. Známý chtěl původně čtyřkolku, ale také jsem ho navrtal do Quaife. Bude to dávat na Focuse, nebo Mondeo 2.0 benzín. Zajímá mně hlavně jestli bude bezprobl. ta transakce a zaslání do ČR.
Schéma, jak to funguje v zatáčce:![]()
Za tři dny by to tady mělo být UPS.
Cena dopravy £35.00 GBP
Alfa Romeo Stelvio 280HP
Alfa Romeo 159 2,4JTD
Alfa Romeo 156 1,6TS
Ford Escort xr3i
Volkswagen Scirocco II 1,8i
Alfa Romeo 159 2,4JTD
Alfa Romeo 156 1,6TS
Ford Escort xr3i
Volkswagen Scirocco II 1,8i
- undermeadow
- Příspěvky: 74
- Registrován: 28.11.2010, ned 10:14
- Bydliště: Brno
Re: Samosvorný diferenciál AR 159
Na tohle vylepšení jsem hodně zvědav a fandím ti
Hlavně to pěkně nafoť a zdokumentuj, ať to můžeme podle tebe zabudovat do našich Alf...
Jinak předpokládám, že jsi narazil na kolegu z anglického fóra, který má tento diferenciál v F40ce v Breře: zde...
Jinak předpokládám, že jsi narazil na kolegu z anglického fóra, který má tento diferenciál v F40ce v Breře: zde...
Alfa 159 2,4 JTDm sedan, DPF off, Water/Methanol Injection, EGR + Swirl off + Sarkan chip
Re: Samosvorný diferenciál AR 159
Taky jsem zvedav a drzim palce ;-)
Alfa Romeo 159 Sportwagon 9/2006 88kw High (DPF off,EGR off,Chip on - Díky Autoscan.cz)
EX: Seat Ibiza 1,5 system Porsche r.v.1990
Škoda Felicia 1,3MPI,r.v.1999
EX: Seat Ibiza 1,5 system Porsche r.v.1990
Škoda Felicia 1,3MPI,r.v.1999
- mcernoch
- SemTuFurt
- Příspěvky: 2301
- Registrován: 20.8.2010, pát 19:18
- Bydliště: Blansko
- Kontaktovat uživatele:
Re: Samosvorný diferenciál AR 159
Narazil, ale ani jsem nechtěl něco jen vylepšovat.undermeadow píše:Na tohle vylepšení jsem hodně zvědav a fandím tiHlavně to pěkně nafoť a zdokumentuj, ať to můžeme podle tebe zabudovat do našich Alf...
Jinak předpokládám, že jsi narazil na kolegu z anglického fóra, který má tento diferenciál v F40ce v Breře: zde...
Celej diferák šel do kytek, tak jsem se rozhodl pro tuto alternativu.
No sám jsem zvědav jak to bude fungovat.
Alfa Romeo Stelvio 280HP
Alfa Romeo 159 2,4JTD
Alfa Romeo 156 1,6TS
Ford Escort xr3i
Volkswagen Scirocco II 1,8i
Alfa Romeo 159 2,4JTD
Alfa Romeo 156 1,6TS
Ford Escort xr3i
Volkswagen Scirocco II 1,8i
- pedro m
- SemTuFurt
- Příspěvky: 1425
- Registrován: 5.3.2013, úte 10:26
- Bydliště: karpaty
- Kontaktovat uživatele:
Re: Samosvorný diferenciál AR 159
mcernoch:
uz mas objednane?
uz mas objednane?
Subaru WRX STi 2019
EX : Hyundai i30n DCT performance sport
EX : Alfa Romeo 159 SW Q4 2.4JTDm, 1-2-4-5-3
...Není čas ztrácet čas...
EX : Hyundai i30n DCT performance sport
EX : Alfa Romeo 159 SW Q4 2.4JTDm, 1-2-4-5-3
...Není čas ztrácet čas...
- mcernoch
- SemTuFurt
- Příspěvky: 2301
- Registrován: 20.8.2010, pát 19:18
- Bydliště: Blansko
- Kontaktovat uživatele:
Re: Samosvorný diferenciál AR 159
Kdyby jsi četl pořádně, tak zjistíš že ano.pedro m píše:mcernoch:
uz mas objednane?
V pondělí to bylo objednáno - placeno přes PAYPAL.
Za tři dny by to tady mělo být UPS.
Cena dopravy £35.00 GBP
Alfa Romeo Stelvio 280HP
Alfa Romeo 159 2,4JTD
Alfa Romeo 156 1,6TS
Ford Escort xr3i
Volkswagen Scirocco II 1,8i
Alfa Romeo 159 2,4JTD
Alfa Romeo 156 1,6TS
Ford Escort xr3i
Volkswagen Scirocco II 1,8i
- Pivrnec911
- SemTuFurt
- Příspěvky: 2733
- Registrován: 22.12.2009, úte 18:05
- Bydliště: Lysá nad Labem
Re: Samosvorný diferenciál AR 159
Jsem zvědavej co to s tím provede 
Giulietta 1300 80´
75 1.8IE 89´
75 2.0TS S 88´+2.0TS 89´
156 2.0TS SP2 98´
156 2.5V6 SP 00´,2.5V6 98´
156 GTA Q2 03´
166 3.0 V6 24V 98´ Super´
GTV 3.0 V6 24 01 Q2´
Spider 916 3.0 V6 24V´ 01´
Spider 916 2.0 16V 96´+ 00´
Ex mnoho a mnoho...
75 1.8IE 89´
75 2.0TS S 88´+2.0TS 89´
156 2.0TS SP2 98´
156 2.5V6 SP 00´,2.5V6 98´
156 GTA Q2 03´
166 3.0 V6 24V 98´ Super´
GTV 3.0 V6 24 01 Q2´
Spider 916 3.0 V6 24V´ 01´
Spider 916 2.0 16V 96´+ 00´
Ex mnoho a mnoho...
Re: Samosvorný diferenciál AR 159
Zajímavý projekt. U 159 po faceliftu ale podle mě nemá smysl, protože ty mají elektronickou simulaci Q2 realizovanou přibržďováním jednoho kola při prokluzu a tak tahle zabudovaná fičura nejspíš degraduje výhody samosvoru (na co přibržďovat to kolo, když je tam samosvor že). Jedině, že by to někdo dokázal vypnout tak, aby eQ2 bylo vypnuté, ale VDC zůstalo zachované (ne vypnout všechno konflíkem).
- undermeadow
- Příspěvky: 74
- Registrován: 28.11.2010, ned 10:14
- Bydliště: Brno
Re: Samosvorný diferenciál AR 159
Já myslím, že elektronické "Q2" má i předfacelift. A rozhodně se tomu mechanickýmu nemůže rovnat, protože to funguje spojitě a reaguje okamžitě, ještě než kolo proklouzne, kdežto elektrika zareaguje až když se kolo smýkne a to je pozdě. Proto by ani neměl být problém se současným použitím obou systémů, prostě elektronické "Q2" se nespustí, protože Quaife vše vyřeší dávno před ním 
Alfa 159 2,4 JTDm sedan, DPF off, Water/Methanol Injection, EGR + Swirl off + Sarkan chip
- pedro m
- SemTuFurt
- Příspěvky: 1425
- Registrován: 5.3.2013, úte 10:26
- Bydliště: karpaty
- Kontaktovat uživatele:
Re: Samosvorný diferenciál AR 159
el.Q2 predface nema, ale jinak je to tak jak pises, rozdil je opravdu v tom : reaktivni/proaktivni reseni,
quaife je genialni a bude to BOMBA
quaife je genialni a bude to BOMBA
Subaru WRX STi 2019
EX : Hyundai i30n DCT performance sport
EX : Alfa Romeo 159 SW Q4 2.4JTDm, 1-2-4-5-3
...Není čas ztrácet čas...
EX : Hyundai i30n DCT performance sport
EX : Alfa Romeo 159 SW Q4 2.4JTDm, 1-2-4-5-3
...Není čas ztrácet čas...
Re: Samosvorný diferenciál AR 159
Předface to nemá, bo je to v seznamu změn po faceliftu:
http://www.mangoletsi.com/news/alfa-add ... ation.html
HW samosvor je určitě lepší, o tom žádná, spíš říkám jestli použití reálného samosvoru společně s eQ2 není kontraproduktivní?
http://www.mangoletsi.com/news/alfa-add ... ation.html
HW samosvor je určitě lepší, o tom žádná, spíš říkám jestli použití reálného samosvoru společně s eQ2 není kontraproduktivní?
- yan.ko
- SemTuFurt
- Příspěvky: 1204
- Registrován: 7.1.2007, ned 02:44
- Bydliště: Ostrava
- Kontaktovat uživatele:
Re: Samosvorný diferenciál AR 159
je a dokonce do toho saha i obycejne ESP
auta s hardwarovym samosvornym difem maji jinak nastavene ABS/ESP
ale fungovat to asi bude, byt ne az tak dobre jako na aute bez asistencnich systemu
auta s hardwarovym samosvornym difem maji jinak nastavene ABS/ESP
ale fungovat to asi bude, byt ne az tak dobre jako na aute bez asistencnich systemu
Alfa Romeo Perfection
- pedro m
- SemTuFurt
- Příspěvky: 1425
- Registrován: 5.3.2013, úte 10:26
- Bydliště: karpaty
- Kontaktovat uživatele:
Re: Samosvorný diferenciál AR 159
fungovat to bude urcite, torsen nedovoli prudky narust otacek jednoho kola, timpadem ESP nebude vysilovat a el. Q2 nezasahne, minimalne ne timhle zpusobem...
snad
snad
Subaru WRX STi 2019
EX : Hyundai i30n DCT performance sport
EX : Alfa Romeo 159 SW Q4 2.4JTDm, 1-2-4-5-3
...Není čas ztrácet čas...
EX : Hyundai i30n DCT performance sport
EX : Alfa Romeo 159 SW Q4 2.4JTDm, 1-2-4-5-3
...Není čas ztrácet čas...
- Ladin 164V6
- SemTuFurt
- Příspěvky: 5892
- Registrován: 15.1.2008, úte 15:52
- Bydliště: Karlovy Vary
Re: Samosvorný diferenciál AR 159
Mno nevim, ale i na stary e36 se musi po vymene za samosvor zrusit ASC+T (protiprokluz a "eQ2"), jinak se to tluce...
AR 164 3.0 24V Super 171kW Nero601 92' (Zombie - la machina arrogante)
Bmw 3er M3 3.2 Convertible Alpinweiss3 98'
Bmw 3er M3d2 SportWagon TitanSilber '06
Renault Kangoo 1.2 16V '08 :D
Vždycky všechno OFF...
Bmw 3er M3 3.2 Convertible Alpinweiss3 98'
Bmw 3er M3d2 SportWagon TitanSilber '06
Renault Kangoo 1.2 16V '08 :D
Vždycky všechno OFF...
- undermeadow
- Příspěvky: 74
- Registrován: 28.11.2010, ned 10:14
- Bydliště: Brno
Re: Samosvorný diferenciál AR 159
Zběžně jsem se koukal na tu převodovku a vůbec mě nepřijde, že by šel snadno vyměnit jenom diferák. Podle mě musí vždycky dolů celá převodovka a nápravnice, takže nic jednoduchýhomcernoch píše:Jo ještě jedna věc.
Já jsem měnil i dvouhmotu, spojku, spojkový ložisko a přítlačák, takže musela jít převodovka ven.
Pokud by se ale dělal jenom diferák, tak by to šlo vytáhnout jenom ze spodu.
A ta fotka, co jsi sem dal je předpokládám 156ka
Alfa 159 2,4 JTDm sedan, DPF off, Water/Methanol Injection, EGR + Swirl off + Sarkan chip
Kdo je online
Uživatelé prohlížející si toto fórum: Žádní registrovaní uživatelé a 2 hosti
