Bose - zapojení
- Hory
- SemTuFurt
- Příspěvky: 1050
- Registrován: 13.1.2010, stř 20:52
- Bydliště: Praha
- Kontaktovat uživatele:
Bose - zapojení
Zdravíčko. Chtěl bych se zeptat zda má někdo schéma zapojení na BOSE nebo zkušenosti s instalací či chuť (placenou) to zapojit.
Repráky jsem si vyměnil to nebyl zase tak extra problém ale instalovat subáč a zesík je horší věc.
Doufám, že mi někdo pomůže [-o<
Snad tento topic tu ještě nebyl. Hledal jsem a nenalezl jsem kdyžtak sry
Repráky jsem si vyměnil to nebyl zase tak extra problém ale instalovat subáč a zesík je horší věc.
Doufám, že mi někdo pomůže [-o<
Snad tento topic tu ještě nebyl. Hledal jsem a nenalezl jsem kdyžtak sry
Re: Bose - zapojení
někde to tu bylo, tahal se zvlášť napájecí kabel od rádia do kufru, jestli to stinu, než mě odpojí, tak to sem dám 
- Hory
- SemTuFurt
- Příspěvky: 1050
- Registrován: 13.1.2010, stř 20:52
- Bydliště: Praha
- Kontaktovat uživatele:
Re: Bose - zapojení
kdo tě odpojí? :-)
Asi jsem přehlédel sry
Asi jsem přehlédel sry
Re: Bose - zapojení
počkat, bose zasík nemá jenom výstup na repro + přivedený napájení? 
- Hory
- SemTuFurt
- Příspěvky: 1050
- Registrován: 13.1.2010, stř 20:52
- Bydliště: Praha
- Kontaktovat uživatele:
Re: Bose - zapojení
slyšel jsem že ne ale zrovna od člověka, kterýmu skoro nic nevěřím. Tak snad někdo napíše více :-)
- whitedevil
- Štamgast
- Příspěvky: 585
- Registrován: 16.6.2008, pon 18:30
- Bydliště: Jaroměř
- Kontaktovat uživatele:
Re: Bose - zapojení
Bose má zesík... minimálně pro subáč jo... mám zapojený výstupy na rádiu tak sem ho i našel v kufru... Pokud ti to pomůže mohl bych to zkusit vyfotit...
Ford Mondeo turnier 2.0 TDCI 103 kw Titanium
ex - Alfa Romeo 147 JTD
ex - Fiat uno LOGO turbo
ex - Fiat uno MK I 903ccm
ex - Alfa Romeo 147 JTD
ex - Fiat uno LOGO turbo
ex - Fiat uno MK I 903ccm
- Hory
- SemTuFurt
- Příspěvky: 1050
- Registrován: 13.1.2010, stř 20:52
- Bydliště: Praha
- Kontaktovat uživatele:
Re: Bose - zapojení
u matesa za 5 klacků (5000Kč) :-)Tibalt píše:a napis kde si ten bose na 147 zohnal?? by som to tiez rad
- Hory
- SemTuFurt
- Příspěvky: 1050
- Registrován: 13.1.2010, stř 20:52
- Bydliště: Praha
- Kontaktovat uživatele:
Re: Bose - zapojení
Omrknul jsem to a prodiskutuji s jinými. Určitě to pomůže a díky ti veeeeliceJenx píše:něco sem ti poslal meilem, tak na to jukni.
- Hory
- SemTuFurt
- Příspěvky: 1050
- Registrován: 13.1.2010, stř 20:52
- Bydliště: Praha
- Kontaktovat uživatele:
Re: Bose - zapojení
Pomůže asi každá maličkost ale zase si kuli tomu nevyndavej rádio :-) I tak díky moc za pomocwhitedevil píše:Bose má zesík... minimálně pro subáč jo... mám zapojený výstupy na rádiu tak sem ho i našel v kufru... Pokud ti to pomůže mohl bych to zkusit vyfotit...
- Hory
- SemTuFurt
- Příspěvky: 1050
- Registrován: 13.1.2010, stř 20:52
- Bydliště: Praha
- Kontaktovat uživatele:
Re: Bose - zapojení
ehhh ... ne. Vyfotím co mám
- Hory
- SemTuFurt
- Příspěvky: 1050
- Registrován: 13.1.2010, stř 20:52
- Bydliště: Praha
- Kontaktovat uživatele:
Re: Bose - zapojení
nějak jsem zapomněl to sem dát ... sry
Už se mi to nějakou dobu válí v garáži a jen se na to práší :-(
Už se mi to nějakou dobu válí v garáži a jen se na to práší :-(
- George.KHE
- SemTuFurt
- Příspěvky: 2620
- Registrován: 5.5.2009, úte 10:40
- Bydliště: Prostějov
- Kontaktovat uživatele:
Re: Bose - zapojení
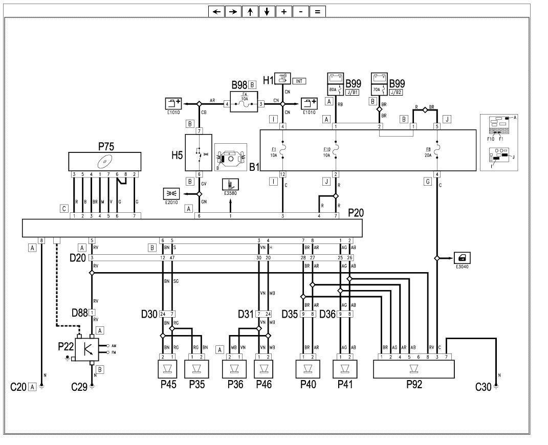
Hory: jsem ti chtěl původně napsat at se na to vykašleš, že ten BOSE zas takovej zázrak není a asi jsem měl protože napojit to nebude žádná prdel.
máš ty protikusy do tech konektorů aspoň? bych se kdyžtak mrkl na svýho bosa a kdyžtak bych ti to poměřil, ale co si myslím tak ten čtyřpinovej konektor je napájení a ten větší už bude na repro. jinak určitě všechny piny na tom protikusu nebudou zapojený
máš ty protikusy do tech konektorů aspoň? bych se kdyžtak mrkl na svýho bosa a kdyžtak bych ti to poměřil, ale co si myslím tak ten čtyřpinovej konektor je napájení a ten větší už bude na repro. jinak určitě všechny piny na tom protikusu nebudou zapojený
Ex. Alfa Romeo GT 3.2 V6
Ex. Alfa Romeo Giulietta QV TCT rosso competizione
Alfa Romeo Giulia 2.0 Veloce blue misano
Ex. Alfa Romeo Giulietta QV TCT rosso competizione
Alfa Romeo Giulia 2.0 Veloce blue misano
Re: Bose - zapojení
…piny jsou zapojené všechny. Bose je úplně jinak zadrátované. Normálně jdou dráty k repro přímo z rádia ale u Bose jdou všechny z rádia do zesilovače a pak zase zpět k repro.
Takže dát to tam bude vyžadovat natáhnout pořádný svazek drátů přes celé auto k zesilovači Bose a pak to připojit ke stávajícímu rozvodu na repro.
Takže dát to tam bude vyžadovat natáhnout pořádný svazek drátů přes celé auto k zesilovači Bose a pak to připojit ke stávajícímu rozvodu na repro.
147 1.9 JTD ...konec italského dobrodružství.
...italské dobrodružství pokračuje. Stilo MW 1.9 JTD Mjet
...italské dobrodružství pokračuje. Stilo MW 1.9 JTD Mjet
- George.KHE
- SemTuFurt
- Příspěvky: 2620
- Registrován: 5.5.2009, úte 10:40
- Bydliště: Prostějov
- Kontaktovat uživatele:
Re: Bose - zapojení
to je mi jasný ale ten žlutej konektor má 24 pinů. když spočítáš repro tak máš 4 repro + woofer, takže 10 pinů obsadíš jako vstup a 10 jako výstup ale co ten zbytek? chtělo by to vidět schéma nebo na to doma mrknu jak budu mít čas
Ex. Alfa Romeo GT 3.2 V6
Ex. Alfa Romeo Giulietta QV TCT rosso competizione
Alfa Romeo Giulia 2.0 Veloce blue misano
Ex. Alfa Romeo Giulietta QV TCT rosso competizione
Alfa Romeo Giulia 2.0 Veloce blue misano
Re: Bose - zapojení
Já to schéma mám. Konektor je plně obsazený. (25 pinů) 8 a 8 drátů pro repro, 4 pro woofer, 4 napájení a jeden je spínací signál pro zapnutí zesilovače. Na druhém konci toho hnědého konektoru by měl být reprák wooferu takže tam bude ještě potřeba udělat propoj do žlutého konektoru.
147 1.9 JTD ...konec italského dobrodružství.
...italské dobrodružství pokračuje. Stilo MW 1.9 JTD Mjet
...italské dobrodružství pokračuje. Stilo MW 1.9 JTD Mjet
- Hory
- SemTuFurt
- Příspěvky: 1050
- Registrován: 13.1.2010, stř 20:52
- Bydliště: Praha
- Kontaktovat uživatele:
Re: Bose - zapojení
mě by stačila nějaká firma co mi to zapojí ... na todle jsi sám netroufnu. Akorát sundání tapeců a výměna repra bylo max z mé strany :-(
Ale díky za další infa .. to se hodí
Ale díky za další infa .. to se hodí
Re: Bose - zapojení
tak teď by to mělo být už v pohodě, toto ti udělá každý elektrikář, ale sežeň si protikus na ten konektor, schema máš a jediné co je potřeba, tak kuchnout část tapecu a protáhnout káblíky od iso z radia do kufru a z kufru do repráků... nejvíc práce je na tom protahování a připojování na konektory
- Hory
- SemTuFurt
- Příspěvky: 1050
- Registrován: 13.1.2010, stř 20:52
- Bydliště: Praha
- Kontaktovat uživatele:
Re: Bose - zapojení
ten protikus je ovšem problém :-(
Re: Bose - zapojení
Sežeň od matesa nebo jiného komplet kabeláž, vyjde tě to levněji, než když ti tobude dělat elektrikář, na kabeláži bude i ten protikus...pak budeš na stejných penězích, jako kdyby jsi si koupil průměrný zesilovač-radio-repro-kabeláž, tím chci říct, že to tvé řešení není úplně nejlepší v porovnání kvalita vs cena
Alfa Romeo 156 2,5 V6 1998 SP 2 ex
Alfa Romeo 156 2,5 V6 2004ex
Alfa Romeo 75 3.0 V6 America r.v. 1987ex
FIAT Punto, 1.1 i 1995 ex
Alfa Romeo 166 2,4 JTD 1998 ex
Alfa Romeo 166 2,4 JTD 2006 ex
Alfa Romeo 166 3.0 V6 1998
Alfa Romeo 156 2,5 V6 2004ex
Alfa Romeo 75 3.0 V6 America r.v. 1987ex
FIAT Punto, 1.1 i 1995 ex
Alfa Romeo 166 2,4 JTD 1998 ex
Alfa Romeo 166 2,4 JTD 2006 ex
Alfa Romeo 166 3.0 V6 1998
- coyote
- SemTuFurt
- Příspěvky: 3585
- Registrován: 13.8.2007, pon 12:07
- Bydliště: blízko Kralup nad Vltavou
Re: Bose - zapojení
Všechny díly, včetně protikusů a samotných pinů seženeš zbrusu nové v Alfě. Vím o čem mluvím, na bývalém bravu jsem si dodělával elektriku do dveří a abych nebyl prase, tak jsem pořídil nové piny a pod. Vše se dá najít v ePeru...Hory píše:ten protikus je ovšem problém :-(
Alfa Romeo 147 1.9 JTD 2002 ex.
Alfa Romeo 164 3.0 V6 12V 1990
Alfa Romeo 166 3.0 V6 24V 2000
Škoda Superb II 3.6 V6 4x4 2010 na prodej
Alfa Romeo 164 3.0 V6 12V 1990
Alfa Romeo 166 3.0 V6 24V 2000
Škoda Superb II 3.6 V6 4x4 2010 na prodej
Re: Bose - zapojení
Ahoj Kluci nenašlo by se zapojení toho Bose, chci implantovat
komplet systém z 147 do 156 SW a zapojení by se celkem hodilo.
EVOLUTION: AR 33 1.7IE --> AR 33 S 1.7 16V QV Permanent4 --> AR 156 2,5 V6 24V --> 156 SW JTD --> Crosswagon
Kdo je online
Uživatelé prohlížející si toto fórum: Žádní registrovaní uživatelé a 1 host
