Pojistky v Alfě 166
Pojistky v Alfě 166
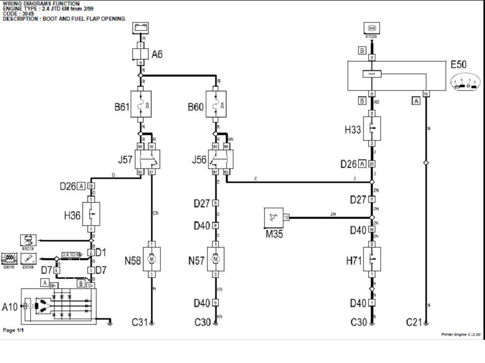
Ahoj pánové,neví někdo kde se nachází pojistky k zadnímu otevírání kufru?Motorek funguje ale kde má pojistku je mi záhadou
díky za info
- KillFucker
- Pozorovatel
- Příspěvky: 435
- Registrován: 18.10.2009, ned 19:05
- Bydliště: okolí Prahy
Re: Pojistky v Alfě 166
...není to náhodou propojený s centrální jednotkou od všech zámků? Tedy jednotka centrálu? ...ale jen tipuju.... 
* BLACK DYNAMITE *
Alfa Romeo 166 2.5 V6 24V
AR 155 2.5 V6 12V /ex
AR 75 1.8i-europa /k.o.
AR GTV 3.0 V6 24V
http://killfucker.rajce.idnes.cz/Skoda_120L-130GL//
Alfy, pívo, ženy, víno, zpěv...znič mě...baby...
Alfa Romeo 166 2.5 V6 24V
AR 155 2.5 V6 12V /ex
AR 75 1.8i-europa /k.o.
AR GTV 3.0 V6 24V
http://killfucker.rajce.idnes.cz/Skoda_120L-130GL//
Alfy, pívo, ženy, víno, zpěv...znič mě...baby...
Re: Pojistky v Alfě 166
myslím, že je to vzadu v kufru... někde na boku,ale nevím, která strana!!!
Alfa 166 2.4 JTD 103kW
Alfa 155 2.5 TD 92kW
EX - Alfa 155 1.7 TS(8v)
EX - Alfa 155 1.8 TS(8v)Vínovka
EX - Alfa 90 2.0
EX - Alfa 90 2.4TD super
EX - Alfa 90 2.4TD
Alfa 155 2.5 TD 92kW
EX - Alfa 155 1.7 TS(8v)
EX - Alfa 155 1.8 TS(8v)Vínovka
EX - Alfa 90 2.0
EX - Alfa 90 2.4TD super
EX - Alfa 90 2.4TD
- DERGO
- Nováček
- Příspěvky: 141
- Registrován: 16.1.2010, sob 11:01
- Bydliště: Zlín/Kroměříž
- Kontaktovat uživatele:
Re: Pojistky v Alfě 166
Jestli už bude v kufru ta pojistka, tak na pravé straně jsou 
Alfa Romeo GT by Novitec 1.9 JTDm r.v. 2004
EX: (jezdí v ní dědeček hříbeček :))Alfa Romeo 145 1.8 TS 103kw r.v.1998 - konečně malé Cuoresportivo
EX(nedobrovolně): Alfa Romeo 166 2.4 JTD 100kw r.v.2000 šedá metal RIP
EX: (jezdí v ní dědeček hříbeček :))Alfa Romeo 145 1.8 TS 103kw r.v.1998 - konečně malé Cuoresportivo
EX(nedobrovolně): Alfa Romeo 166 2.4 JTD 100kw r.v.2000 šedá metal RIP
Re: Pojistky v Alfě 166
Tu mate niake info,,, ja by som povedal ze je to 20A v bloku B60,,,
AR 166 2,4 JTD 99 TMOVOMODRA METALIZA
Re: Pojistky v Alfě 166
Díky všem za radu,vyzkouším 
Kdo je online
Uživatelé prohlížející si toto fórum: Žádní registrovaní uživatelé a 2 hosti
