vše o stěračích (ramínka, dodavetelé, údržba)

Odpovědět
BUTCHER

Příspěvky: 2
Registrován: 6.8.2010, pát 09:12

Zadní stěrač

Příspěvek od BUTCHER » 7.8.2010, sob 11:59

Zdravím,
už tak 3 měsíce jsem majitel AR 156 2,4JTD SportWagon a už od koupě nefunguje zadní stěrač. Když jsem to rozebíral, zjistil jsem, že v té převodce u motorku je špatné to velké ozubené kolo a na něm to přeskakuje a tudíž nestírá. Kontaktoval jsem už hodně lidí, ale na prodej motorek (klidně i spálený) nikdo nemá. A tak mě napadlo, jestli by to nešlo nahradit jiným stěračem, nevíte někdo, jestli třeba 147 nemá stejnej motorek, nebo tak? A nebo nemáte někdo motorek na 156 SW?
Předem díky a Cuore Sportivo! alfaromeo1

tuta146
SemTuFurt
Uživatelský avatar

Příspěvky: 4051
Registrován: 16.3.2009, pon 22:56
Bydliště: Kladno

Re: Zadní stěrač

Příspěvek od tuta146 » 7.8.2010, sob 12:09

Podívej se do komerční inzerce a zavolej matesovi :wink:
Alfa Romeo 159 2,2 ti
Alfa Romeo 156 2.0 JTS
ex Alfa Romeo 146 1.4 TS

enzo156
SemTuFurt
Uživatelský avatar

Příspěvky: 1252
Registrován: 12.3.2009, čtv 18:12
Bydliště: Č. Budějovice
Kontaktovat uživatele:

Re: Zadní stěrač

Příspěvek od enzo156 » 7.8.2010, sob 13:18

Mám motorek kterej má v prd... tu řídící čast, motor samotnej chodí a i ta mechanika je v pohodě. Můžeme se dohodnout.
Alfa 156 GTA 3.2V6 2002 - svody CF2 - downpipe od A.M.A. exhaust systems - Torsen Q2
Škoda Octavia II 1.9TDI 77kW 4x4
/F/I/A/T/ Dobló Panorama Emotion 2.0JTD 99kW
Alfa 156 SW 1.9JTD 85kW Distinctive 2002 - EX
Cuore Sportivo - KUA Sportovní

BUTCHER

Příspěvky: 2
Registrován: 6.8.2010, pát 09:12

Re: Zadní stěrač

Příspěvek od BUTCHER » 7.8.2010, sob 18:39

no tak to by byla parada.... me motorek normalne frčí, jen to preskakuje na tom ozubenym kole... napis mi klidne do SZ kolik by sis za to predstavoval...

enzo156
SemTuFurt
Uživatelský avatar

Příspěvky: 1252
Registrován: 12.3.2009, čtv 18:12
Bydliště: Č. Budějovice
Kontaktovat uživatele:

Re: Zadní stěrač

Příspěvek od enzo156 » 8.8.2010, ned 19:14

Tak jsem to dneska vyhrabal, to velký ozubený kolo je OK, převod z motoru je v pohodě, ale problém je ža je zatuhlej trn na ose stěrače. Jediný řešení je to rozebrat a přehodit to kolo do tvýho mechanizmu, ale asi to bude pakárna :smt118
Tak se rozhodni jak budeš chtít.
Alfa 156 GTA 3.2V6 2002 - svody CF2 - downpipe od A.M.A. exhaust systems - Torsen Q2
Škoda Octavia II 1.9TDI 77kW 4x4
/F/I/A/T/ Dobló Panorama Emotion 2.0JTD 99kW
Alfa 156 SW 1.9JTD 85kW Distinctive 2002 - EX
Cuore Sportivo - KUA Sportovní

jakubSW
Pozorovatel
Uživatelský avatar

Příspěvky: 292
Registrován: 17.12.2008, stř 21:44
Bydliště: Rumburk
Kontaktovat uživatele:

Re: Zadní stěrač

Příspěvek od jakubSW » 8.8.2010, ned 22:44

tu osičku normálně vyklepneš, očistíš, namažeš a vrazíš zpátky. už jsem to dělal 3x... :smt023
AR 156 sportwagon 3,2 GTA Q2

Ladis
SemTuFurt
Uživatelský avatar

Příspěvky: 3730
Registrován: 6.5.2009, stř 12:13
Bydliště: okr. Zlín

Jak sundat celé ramínko stěrače

Příspěvek od Ladis » 5.9.2010, ned 14:11

Potřeboval bych poradit,povolil a vyšruboval jsem tu vrchní matku s podložkou,ale stěrač tam drží jak blázen,je to jen zarezlé nebo je tam ještě nějaký fígl,nerad bych to silou poškodil. :diky
Alfa romeo 156 2,4 JTDm 129 Kw 2004
Mazda MX-5 NBfl 1.8 16V, 6kvalt + torsen - milášek na víkendy
Favorit GLXI solitaire 1.3 LPG 50 Kw 1994 ex
Felicia LXi 1,3 50 Kw 1998

Edinho
Uživatelský avatar

Příspěvky: 9
Registrován: 15.3.2010, pon 14:57

Re: Jak sundat celé ramínko stěrače

Příspěvek od Edinho » 5.9.2010, ned 16:51

Heh ten isty problem, tahal som, skoro auto som nadvihol :-D a nic..

Eneck155
Štamgast
Uživatelský avatar

Příspěvky: 796
Registrován: 23.2.2009, pon 16:48
Bydliště: Dlouhá Třebová

Re: Jak sundat celé ramínko stěrače

Příspěvek od Eneck155 » 5.9.2010, ned 18:12

mně se levý ramínko podařilo normálně vytáhnout, ale to pravý tam drželo a to jsem na ten šroub stříkal všechno možný a stejně nesundal, asi se mu po 12 letech už nechce :cry:
AR Giulia 2.2 JTDM
AR GT 1.8 TS
AR 155 2.0 TS
ex: AR Giulietta, AR 147, AR 159 2.0 JTDm, AR 159 1.9 JTS, AR 146-1.6 TS, AR 156-2.0 +1.6 TS, AR 155-1.8TS,Dedra-1.8,Prisma-1.6,Tempra-1.6,Regata-1.5

Kůrkyn
SemTuFurt
Uživatelský avatar

Příspěvky: 4916
Registrován: 13.5.2007, ned 23:56
Bydliště: Pacov
Kontaktovat uživatele:

Re: Jak sundat celé ramínko stěrače

Příspěvek od Kůrkyn » 7.9.2010, úte 14:13

vytrvale s tím kvrdlej a vypadne to.

koty
Nováček
Uživatelský avatar

Příspěvky: 127
Registrován: 23.2.2010, úte 16:01
Bydliště: Valašské Meziříčí

Re: Jak sundat celé ramínko stěrače

Příspěvek od koty » 7.9.2010, úte 19:38

jestli neni nejaka zmena u steracu tak by tam mel byt kuzel nebo tisici hran. a to nepujde jinak jak silou :) nebo kvedlanim
Alfa Romeo 156 2.0
Fiat Bravo 1.6..........EX
Fiat Bravo 1.8 GT.....EX

Eneck155
Štamgast
Uživatelský avatar

Příspěvky: 796
Registrován: 23.2.2009, pon 16:48
Bydliště: Dlouhá Třebová

Re: Jak sundat celé ramínko stěrače

Příspěvek od Eneck155 » 7.9.2010, úte 21:03

ale nekvedlej moc,ať to nevytáhneš i s motorkem :D
AR Giulia 2.2 JTDM
AR GT 1.8 TS
AR 155 2.0 TS
ex: AR Giulietta, AR 147, AR 159 2.0 JTDm, AR 159 1.9 JTS, AR 146-1.6 TS, AR 156-2.0 +1.6 TS, AR 155-1.8TS,Dedra-1.8,Prisma-1.6,Tempra-1.6,Regata-1.5

enzo156
SemTuFurt
Uživatelský avatar

Příspěvky: 1252
Registrován: 12.3.2009, čtv 18:12
Bydliště: Č. Budějovice
Kontaktovat uživatele:

Re: Jak sundat celé ramínko stěrače

Příspěvek od enzo156 » 7.9.2010, úte 21:29

Když to nejde silou, jde to ještě větší silou :smt040
Alfa 156 GTA 3.2V6 2002 - svody CF2 - downpipe od A.M.A. exhaust systems - Torsen Q2
Škoda Octavia II 1.9TDI 77kW 4x4
/F/I/A/T/ Dobló Panorama Emotion 2.0JTD 99kW
Alfa 156 SW 1.9JTD 85kW Distinctive 2002 - EX
Cuore Sportivo - KUA Sportovní

gondal
Uživatelský avatar

Příspěvky: 54
Registrován: 19.11.2009, čtv 15:46
Bydliště: Jihlava

Re: Jak sundat celé ramínko stěrače

Příspěvek od gondal » 7.9.2010, úte 23:32

kvedlat nahoru a dolu ani sila k tomu neni potřeba vyleze to samo

Mil0

Příspěvky: 2
Registrován: 3.10.2010, ned 13:44

Špatně fungující stěrače

Příspěvek od Mil0 » 3.10.2010, ned 13:59

Zdravím alfisty,

jsem novopečeným majitelem Alfy Romeo 156 1.9 JTD vyrobené v roce 2002, najeto 182 000km, dovezená z Belgie. Alfy se mi vždy líbili svým unikátním vzhledem, ale nikdy jsem si nedodal dost odvahy, abych do ní šel. Předtím jsem jezdil pouze v koncernu(octavia, golf III, golf IV). Ale poté co mi ukradli mého golfíka, jsem se odhodlal. Rozhodně nelituji. Až teď vím, co to znamená, když má auto duši, ikdyž pouze diesselovou:) Prostě a jednoduše to byla láska na první svezení. a.vs.s

Ovšem až doma jsem zjistl, že mi u mé alfinky nefungují stěrače, tak jak by asi měli. Konkrétně vůbec nefunguje cyklovač, a stěrače se vůbec nevracejí do původní polohy. Na tomto fóru jsem vyčetl, že by to mohlo být způsobeno zaneřáděnými kontakty uvnitř motorku stěračů. Motorek jsem úspěšně vyndal, vyčistil, avšak žádná změna.

Moc prosím o jakoukoli radu, případně, kde konkrétně bych měl hledat problém. Jestli je vadný motorek, případně jestli by chyby mohla být někde jinde.

Foli
Štamgast
Uživatelský avatar

Příspěvky: 628
Registrován: 16.11.2008, ned 16:02
Bydliště: Plzeň
Kontaktovat uživatele:

Re: Špatně fungující stěrače

Příspěvek od Foli » 3.10.2010, ned 16:11

Vítám, problém bude v motůrku stěračů. Použitej funkční seženeš přes http://www.mates-auto.cz. Solidní jednání a fajn ceny.
Život není peříčko ... ale pořádný péro, který s náma neustále vyjebává. AR 159, 2,4 JTDM rok 2007

Mil0

Příspěvky: 2
Registrován: 3.10.2010, ned 13:44

Re: Špatně fungující stěrače

Příspěvek od Mil0 » 9.10.2010, sob 09:30

Mockrát děkuju za radu, ale ještě před tím než koupím novej motůrek... Zkoušeli jsme jak prochází proud na tom konektoru, který se připojuje k motůrku. Zjistili sme, že na žádnou polohu cyklovače neprochází na tom konektoru žádný proud. Jinak řečeno, pokud hýbám páčkou stěrače dolů nebo nahoru, vždy se to projevilo nějakou změnou kudy procházel proud na tom konektoru. Ale pokud jsem otáčel tím otočným ovladačem cyklovače nic se nedělo.

Je možné, aby teda chyba byla jinde než na motůrku? Někde v eletrice? Nebo by mohla být špatná páčka stěračů? Může mít toto i vliv na to že se stěrače nevrací ani do základní polohy? Nebo je to opravdu v tom motůrku?

S alfama nemám vůbec žádné zkušenosti, ani neznám ve svém okolí nikoho kdo by je měl. Budu vděčnej za jakoukoli radu, pomoc či osobní zkušenosti s podobným problémem.

Charlie.iks
Nováček
Uživatelský avatar

Příspěvky: 198
Registrován: 12.11.2009, čtv 11:10
Bydliště: Most

Re: Špatně fungující stěrače

Příspěvek od Charlie.iks » 9.10.2010, sob 13:58

Tak tohle jsem řešil na svém GTV. Také se mi nevraceli do původní polohy, ale aspoň zůstávaly na jednom místě. Celé jsem to několikrát rozebíral, čistil, nechával zaletovat studeňáky s nulovým výsledkem. Pak mi Kůrkyn poslal na zkoušku jiný motorek s elektronikou a ten dělal úplně to samé, ale Jirka mě dopředu informoval, že to asi taky nebude OK motorek. Tak jsem koupil další motorek s elektronikou i s mechanismem. Namontoval jsem ho tam, pustil stěrače a bylo to super. Jenže po dvou dnech jsem sedl do alfy, pustil stěrače a v tu chvíli jsem měl poměr krev X adrenalin tak 50:50. Takže výsledek je opět :butthead: a nevím co s tím. Možná je tam ještě nějaké relé, mimo celý mechanismus a to je KO - nemá někdo tušení?
GTV 2.0 V6 turbo

Kůrkyn
SemTuFurt
Uživatelský avatar

Příspěvky: 4916
Registrován: 13.5.2007, ned 23:56
Bydliště: Pacov
Kontaktovat uživatele:

Re: Špatně fungující stěrače

Příspěvek od Kůrkyn » 9.10.2010, sob 18:10

spíš ne, řekl bych, že celé to ovládání je v té krabici na motorku a kabely vedou pouze k přepínači. Ale netvrdím to.

tuta146
SemTuFurt
Uživatelský avatar

Příspěvky: 4051
Registrován: 16.3.2009, pon 22:56
Bydliště: Kladno

Re: Špatně fungující stěrače

Příspěvek od tuta146 » 9.10.2010, sob 19:14

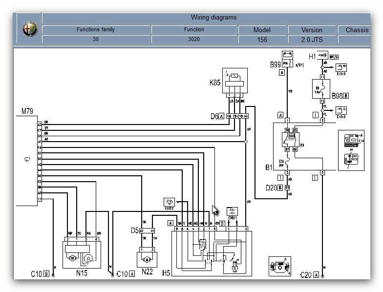
Píšou, že před zpětnou montáží je nutný reset motoru stěračů, ale ani boha nemůžu najít jak se provádí. Je to logické, bude to klasický krokový motor, takže ho nejdřív musíš dostat do startovací polohy, jinak si bude dělat co chce. Zkusím ještě pohledat. Jinak žádná zvláštní řídící jednotka tam podle nákresů není.
Snap_2010.10.09 19.08.30_002_wiper.jpg
Alfa Romeo 159 2,2 ti
Alfa Romeo 156 2.0 JTS
ex Alfa Romeo 146 1.4 TS

Charlie.iks
Nováček
Uživatelský avatar

Příspěvky: 198
Registrován: 12.11.2009, čtv 11:10
Bydliště: Most

Re: Špatně fungující stěrače

Příspěvek od Charlie.iks » 10.10.2010, ned 13:54

No jestli se ti povede najít, jak se resetujou, budu ti vděčnej :diky
GTV 2.0 V6 turbo

tuta146
SemTuFurt
Uživatelský avatar

Příspěvky: 4051
Registrován: 16.3.2009, pon 22:56
Bydliště: Kladno

Re: Špatně fungující stěrače

Příspěvek od tuta146 » 10.10.2010, ned 15:54

Nemůžu to najít, mám schéma i popis pinů, ale nikde návod jak to udělat :( Jinak ta krabička na motorku je opravdu jediná věc (kromě páčky u volantu), která řídí činnost stěračů.
Alfa Romeo 159 2,2 ti
Alfa Romeo 156 2.0 JTS
ex Alfa Romeo 146 1.4 TS

P3TR
Pozorovatel
Uživatelský avatar

Příspěvky: 263
Registrován: 13.6.2010, ned 18:29
Bydliště: Volary
Kontaktovat uživatele:

Re: Špatně fungující stěrače

Příspěvek od P3TR » 11.10.2010, pon 10:18

na mé ex R19 dělalo to samé, stěrače stírali jen v jedné rychlosti a zastavovali kde chtěli a byla špatná pojistka... :D
Již ex. 156 2.4 JTD
BMW 330xd

tuta146
SemTuFurt
Uživatelský avatar

Příspěvky: 4051
Registrován: 16.3.2009, pon 22:56
Bydliště: Kladno

Re: Špatně fungující stěrače

Příspěvek od tuta146 » 11.10.2010, pon 10:43

Silně pochybuji, že R19 měla elektronickou řídící jednotku stěračů :wink:
Alfa Romeo 159 2,2 ti
Alfa Romeo 156 2.0 JTS
ex Alfa Romeo 146 1.4 TS

tuta146
SemTuFurt
Uživatelský avatar

Příspěvky: 4051
Registrován: 16.3.2009, pon 22:56
Bydliště: Kladno

Re: Špatně fungující stěrače

Příspěvek od tuta146 » 11.10.2010, pon 10:52

Tady je schéma a popis PINů, resetovací je C2, ale ten postup fakt najít nemůžu :(
Snap_2010.10.09 19.08.30_002_wiper1.jpg
Snap_2010.10.09 19.08.30_002_wiper2.jpg
Snap_2010.10.09 19.08.30_002_wiper3.jpg
Alfa Romeo 159 2,2 ti
Alfa Romeo 156 2.0 JTS
ex Alfa Romeo 146 1.4 TS

Odpovědět

Zpět na „156“

Kdo je online

Uživatelé prohlížející si toto fórum: Google [Bot] a 1 host