BOSE - schéma zapojení

The-O
Uživatelský avatar

Příspěvky: 26
Registrován: 11.2.2012, sob 12:20

BOSE - schéma zapojení

Příspěvek od The-O » 30.5.2012, stř 20:19

Zdravíčko :) tak při koupi GT se až pozdě zjistilo že chybí woofer v kufru ale originál BOSE zesilovač mi tam zůstal,... chtěl bych vás poprosit jestli by nebyl schopný někdo vyfotit jak má zapojený woofer.

Když bych si nechal udělat woofer na míru (protože samotný bose nemůžu sehnat) tak jenom potřebuju zjistit který kabel jde k basáku jako "+" a který jako "-" a tak celkově. Moc by mi to pomohlo protože tam mám nějaké kable sprostě cviknuté :(

Díky za fotoinfo :) alfaromeo1

Petr147
SemTuFurt

Příspěvky: 9988
Registrován: 30.9.2009, stř 22:52

Re: BOSE - schéma zapojení

Příspěvek od Petr147 » 30.5.2012, stř 21:48

asi bude stejné zapojení jako v 147 a tam je zapojeni ve vlakne o Bose

Dallen
SemTuFurt
Uživatelský avatar

Příspěvky: 4682
Registrován: 8.10.2011, sob 19:21
Bydliště: Ostrava

Re: BOSE - schéma zapojení

Příspěvek od Dallen » 30.5.2012, stř 23:00

Do gtcka lehce sezenes na allegru
Limo* s bussem (166 3.0)
Ex: 156TS

Petr147
SemTuFurt

Příspěvky: 9988
Registrován: 30.9.2009, stř 22:52

Re: BOSE - schéma zapojení

Příspěvek od Petr147 » 31.5.2012, čtv 04:37

ja tu pisu o schematu zapojeni

perry69
Pozorovatel
Uživatelský avatar

Příspěvky: 452
Registrován: 1.12.2011, čtv 23:39
Bydliště: Milovice

Re: BOSE - schéma zapojení

Příspěvek od perry69 » 31.5.2012, čtv 09:27

Myslí asi origo woofer, aby nemusel nechat robit na míru...
Alfa Romeo GT 1.9 JTD ROSSO

The-O
Uživatelský avatar

Příspěvky: 26
Registrován: 11.2.2012, sob 12:20

Re: BOSE - schéma zapojení

Příspěvek od The-O » 31.5.2012, čtv 09:55

Dívejte zesilovač (origo BOSE) je na svojem místě ale před prodejem někdo sprostě vzal a vyndal woofer (origo BOSE) ale ne že by odpojil konektory ale prostě je cvikačkama ucvakl. Tákže mi zůstaly 2 svazky kablíků a nevím který k čemu patří. O to mi jde ,... takže bych potřeboval jenom vyfotit jaké kablíky jdou od zesilovače, které jdou na přední bedny, které jdou na zadní bedny a které jdou na subwoofer, a které vedou napájení, signál a nulák. Případně kdyby byl někdo tak hodně moc hodný a vyfotil mi jaké kable jdou z WOOFERU :) :supz:

George.KHE
SemTuFurt
Uživatelský avatar

Příspěvky: 2603
Registrován: 5.5.2009, úte 10:40
Bydliště: Prostějov
Kontaktovat uživatele:

Re: BOSE - schéma zapojení

Příspěvek od George.KHE » 31.5.2012, čtv 15:53

Jestli to dobře chápu tak máš ustříhnuté dva svazky kabelů co jdou do zesíku. Kdyžtak si vem mulťas a proměř si to. Ty nejsilnější kabely budou napájecí. Spínací si změříš a pak už jen proměříš výstupy. Stejně budeš muset sundat tapce. Kdyžtak hod tvoje foto, at se v tom každý orientuje.
Ex. Alfa Romeo GT 3.2 V6
Ex. Alfa Romeo Giulietta QV TCT rosso competizione
Alfa Romeo Giulia 2.0 Veloce blue misano

George.KHE
SemTuFurt
Uživatelský avatar

Příspěvky: 2603
Registrován: 5.5.2009, úte 10:40
Bydliště: Prostějov
Kontaktovat uživatele:

Re: BOSE - schéma zapojení

Příspěvek od George.KHE » 31.5.2012, čtv 15:58

stejně, když nemáš basák tak si ho budeš muset koupit, tak ho kup i s kabely a máš po starostech.
Ex. Alfa Romeo GT 3.2 V6
Ex. Alfa Romeo Giulietta QV TCT rosso competizione
Alfa Romeo Giulia 2.0 Veloce blue misano

Petr147
SemTuFurt

Příspěvky: 9988
Registrován: 30.9.2009, stř 22:52

Re: BOSE - schéma zapojení

Příspěvek od Petr147 » 31.5.2012, čtv 16:17

ty dva velke konektory vedou od zesiku k rádiu a do basaku vede jenom par dratu pro reprak, neucvak ti nahodou zesik?

The-O
Uživatelský avatar

Příspěvky: 26
Registrován: 11.2.2012, sob 12:20

Re: BOSE - schéma zapojení

Příspěvek od The-O » 31.5.2012, čtv 16:17

¨dnes se už k tomu nedostanu ale zítra to sem hodím :)

The-O
Uživatelský avatar

Příspěvky: 26
Registrován: 11.2.2012, sob 12:20

Re: BOSE - schéma zapojení

Příspěvek od The-O » 3.6.2012, ned 18:40

No chlapi tak tyhle konektory tam jsou a nevím který drát je na co :) tak kdyby byl nějaký šikula co by mi napsal který co drát znamená abych si mohl napojovat a dostrojit to :) díky
Přílohy
P6030013.JPG

Petr147
SemTuFurt

Příspěvky: 9988
Registrován: 30.9.2009, stř 22:52

Re: BOSE - schéma zapojení

Příspěvek od Petr147 » 3.6.2012, ned 18:47

toto je malej konektor pro basovej repro, pro zesik je mnohem větší... defakto k repraku potrebujes jenom dva vodice, ale jake ti nepovim, nechce se mi to vytahovat... jestli ti nekdo nerekne co kam, tak vem nejakej repracek a zkousej prohazovat draty, moc moznosti nemas
Přílohy
P5010132.jpg

Petr147
SemTuFurt

Příspěvky: 9988
Registrován: 30.9.2009, stř 22:52

Re: BOSE - schéma zapojení

Příspěvek od Petr147 » 3.6.2012, ned 18:51

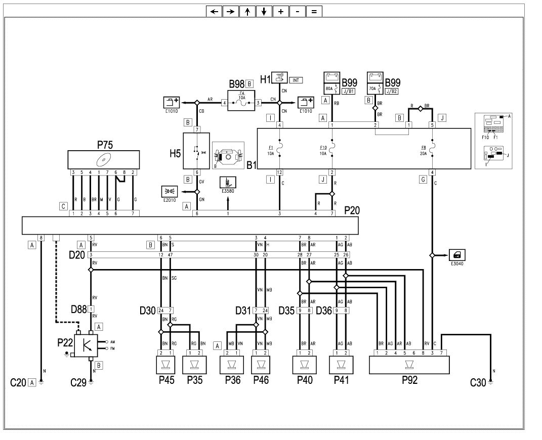
jestli ti to k necemu bude :)
Přílohy
BOSE aV1OU2Pi-a2bef2c22e0d9884056e2f1868600c9e.jpg
BOSE aV1OXTM9-a2bef2c22e0d9884056e2f1868600c9e2.jpg

George.KHE
SemTuFurt
Uživatelský avatar

Příspěvky: 2603
Registrován: 5.5.2009, úte 10:40
Bydliště: Prostějov
Kontaktovat uživatele:

Re: BOSE - schéma zapojení

Příspěvek od George.KHE » 3.6.2012, ned 21:18

A není basák dvojcívkovej? Pokud ano, tak ti prohazování moc nepomůže, protože potřebuješ, aby to hrálo ve fázi. Na toto by ti pomohl osciloskop.
Ex. Alfa Romeo GT 3.2 V6
Ex. Alfa Romeo Giulietta QV TCT rosso competizione
Alfa Romeo Giulia 2.0 Veloce blue misano

The-O
Uživatelský avatar

Příspěvky: 26
Registrován: 11.2.2012, sob 12:20

Re: BOSE - schéma zapojení

Příspěvek od The-O » 3.6.2012, ned 21:19

super díky vyzkouším :) jinak ten svazek co je ucvaknutý asi nevíš k čemu nebo od čeho to jde že ?

George.KHE
SemTuFurt
Uživatelský avatar

Příspěvky: 2603
Registrován: 5.5.2009, úte 10:40
Bydliště: Prostějov
Kontaktovat uživatele:

Re: BOSE - schéma zapojení

Příspěvek od George.KHE » 3.6.2012, ned 21:38

Ten je dle mě pro basák.
i dle toho nákresu co sem dal petr to tak je.
Ex. Alfa Romeo GT 3.2 V6
Ex. Alfa Romeo Giulietta QV TCT rosso competizione
Alfa Romeo Giulia 2.0 Veloce blue misano

Petr147
SemTuFurt

Příspěvky: 9988
Registrován: 30.9.2009, stř 22:52

Re: BOSE - schéma zapojení

Příspěvek od Petr147 » 3.6.2012, ned 22:31

jj, ten kabel je pouze pro repro v basaku, nic dalsiho tam neni

The-O
Uživatelský avatar

Příspěvky: 26
Registrován: 11.2.2012, sob 12:20

Re: BOSE - schéma zapojení

Příspěvek od The-O » 4.6.2012, pon 07:22

aha takže počkat. Pokuď teda chápu tak ten můj obrázek (cviknutý kabel) s těmi čtyřmi drátky je od wooferu. Ale woofer je dvoucívka takže to není jen tak. A ten druhý obrázek (ten konektor s těmi 3 mi kablíky) to není na nic v podstatě

George.KHE
SemTuFurt
Uživatelský avatar

Příspěvky: 2603
Registrován: 5.5.2009, úte 10:40
Bydliště: Prostějov
Kontaktovat uživatele:

Re: BOSE - schéma zapojení

Příspěvek od George.KHE » 4.6.2012, pon 18:35

To nevím co je, jak vypadá zepředu? No bud se mrkni do dveří, jak je zapojené repro a podle toho zapoj woofer a nebo to odhadni podle barev. Osobně se přikládám k tomu prvnímu, tam max pokazíš to, že se nemusíš trefit správně do fáze.
Ex. Alfa Romeo GT 3.2 V6
Ex. Alfa Romeo Giulietta QV TCT rosso competizione
Alfa Romeo Giulia 2.0 Veloce blue misano

The-O
Uživatelský avatar

Příspěvky: 26
Registrován: 11.2.2012, sob 12:20

Re: BOSE - schéma zapojení

Příspěvek od The-O » 4.6.2012, pon 18:51

tak se asi půjde kuchat ať zjistím co a jak :diky

The-O
Uživatelský avatar

Příspěvky: 26
Registrován: 11.2.2012, sob 12:20

Re: BOSE - schéma zapojení

Příspěvek od The-O » 5.6.2012, úte 13:04

hoši tak se mi nic nepodařilo zapojit a nebo nefunguje zesilovač nebo nevím fakt už :/ Takže jsem nucený přistoupit k instalaci nějakého aktivního subwooferu bohužel, a tak co se dá dělat.

Má otázka zní: když si natáhnu + (od baterky), - (z kostry), rem (z rádia) tak odkuď zapojím chince ? :( bez zapojení chinců jsem totiž nahraný. Díky

George.KHE
SemTuFurt
Uživatelský avatar

Příspěvky: 2603
Registrován: 5.5.2009, úte 10:40
Bydliště: Prostějov
Kontaktovat uživatele:

Re: BOSE - schéma zapojení

Příspěvek od George.KHE » 5.6.2012, úte 21:32

Jestli máš rádio co nemá RCA, tak na ty se prodává spešl konektor na jehož konci už máš RCA a pak dotáhneš jen signálovky do zesíku..
Ex. Alfa Romeo GT 3.2 V6
Ex. Alfa Romeo Giulietta QV TCT rosso competizione
Alfa Romeo Giulia 2.0 Veloce blue misano

George.KHE
SemTuFurt
Uživatelský avatar

Příspěvky: 2603
Registrován: 5.5.2009, úte 10:40
Bydliště: Prostějov
Kontaktovat uživatele:

Re: BOSE - schéma zapojení

Příspěvek od George.KHE » 5.6.2012, úte 21:33

A jde ti vůbec nějaký zvuk z rádia? pokud jo, tak by měl zesík běžet.
Ex. Alfa Romeo GT 3.2 V6
Ex. Alfa Romeo Giulietta QV TCT rosso competizione
Alfa Romeo Giulia 2.0 Veloce blue misano

The-O
Uživatelský avatar

Příspěvky: 26
Registrován: 11.2.2012, sob 12:20

Re: BOSE - schéma zapojení

Příspěvek od The-O » 5.6.2012, úte 21:46

zvuk jde takže zesik asi běží ,... no nevím jsem z toho nějaký zmetený :D nechám tomu volný průběh

George.KHE
SemTuFurt
Uživatelský avatar

Příspěvky: 2603
Registrován: 5.5.2009, úte 10:40
Bydliště: Prostějov
Kontaktovat uživatele:

Re: BOSE - schéma zapojení

Příspěvek od George.KHE » 5.6.2012, úte 22:15

Ten basák je napojenej podle schématu z repro ze dveří, takže pokud ti jde zvuk opravdu z externího zesilovače, musí fungovat. Být tebou tak to pořádně ještě prolezu.
Ex. Alfa Romeo GT 3.2 V6
Ex. Alfa Romeo Giulietta QV TCT rosso competizione
Alfa Romeo Giulia 2.0 Veloce blue misano

Odpovědět

Zpět na „GT“

Kdo je online

Uživatelé prohlížející si toto fórum: Žádní registrovaní uživatelé a 2 hosti